EasyManua.ls Logo

Technics SX-PX662

Technics SX-PX662
83 pages
To Next Page IconTo Next Page
To Next Page IconTo Next Page
To Previous Page IconTo Previous Page
To Previous Page IconTo Previous Page
Loading...
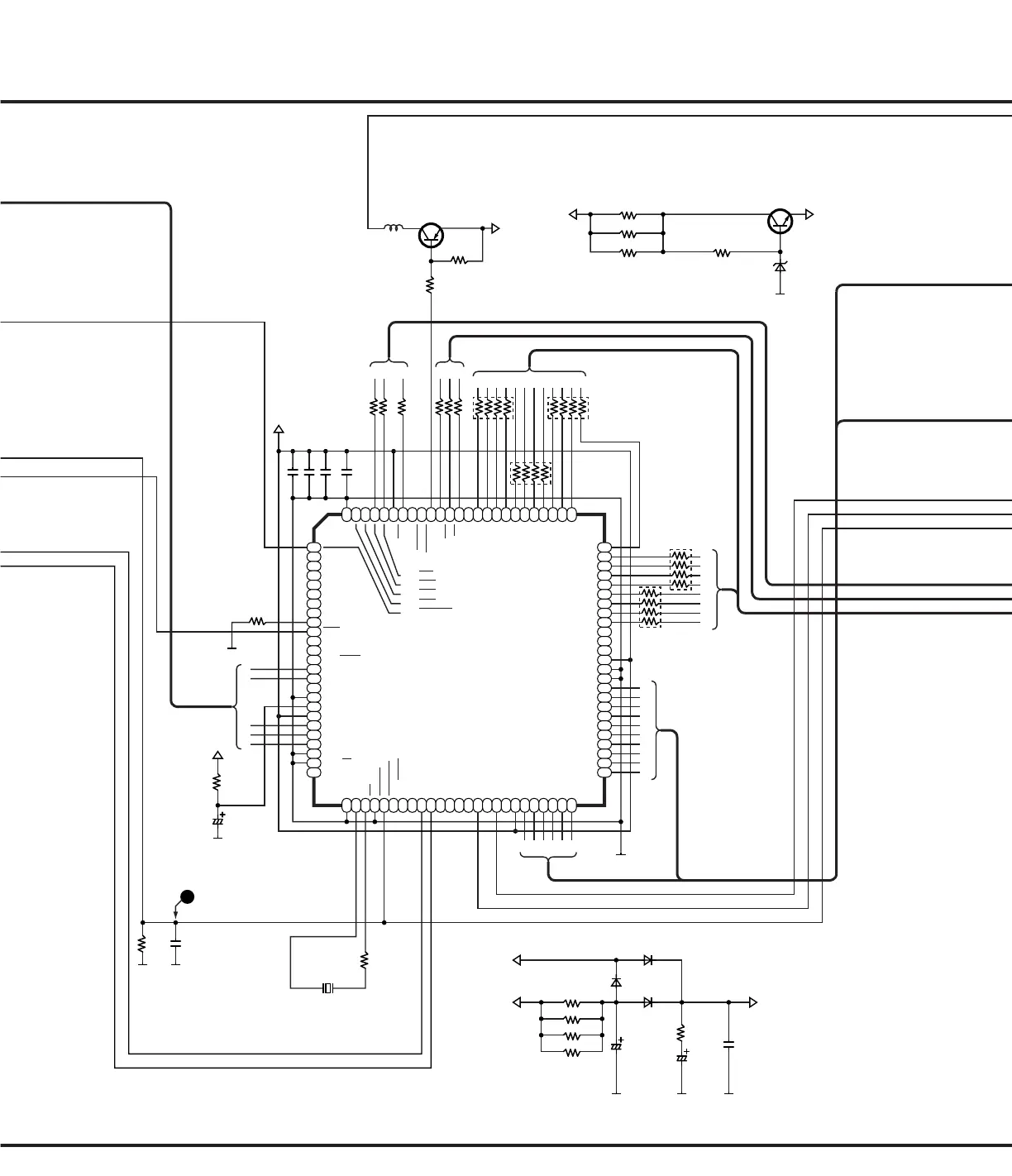
P65/REFOUT
IC1
TMP95C061BF
C19 0.1
R28 470
R27 470
R29 470
Z1
ABC
ABCAB C
DEFGH I JKL
100x4
Z4
100x4
Z5
100x4
Z3
100x4
Z2
100x4
C17 0.1
(16BIT MICROCOMPUTER)
P70/PG00
P
O
N
M
L
K
J
I
H
G
A
B
C
D
E
P71/PG01
P72/PG02
P73/PG03
P74/PG10
P75/PG11
P76/PG12
P77/PG13
NM1
P80/TXD0
P81/RXD0
P82/CTSD/SCLK0
P83/TXD1
P84/RXD1
P85/SCLK1
AGND
VREF
VCC
P90/AN0
P91/AN1
P92/AN2
P93/AN3
AM8/16
CLK
GND
X1
X2
EA
RESET
WDTOUT
PA0/WAIT
PA1/T10
PA2/TO1
PA3/TO3
PB0/INT4/TI4
PB1/INT5/TI5
PB2/TO4
PB3/TO5
PB4/INT6/TI6
PB5/INT7/TI7
PB6/TO6
PB7/INTO
VCC
D0
D1
D2
D3
D4
D5
D6
D7
P10/D8
P11/D9
P12/D10
P13/D11
P14/D12
P15/D13
P16/D14
P17/D15
GND
GND
VCC
P27/A23
P26/A22
P25/A21
P24/A20
P23/A19
P22/A18
P21/A17
P20/A16
A15
A14
A13
A12
A11
A10
A9
A8
A7
A6
A5
A4
A3
A2
A1
A0
RD
WR
P52/HWR
P53/BUSRQ
P54/BUSAK
P55/R/W
P60/CS0
VCC
P61/CS1
P62/CS2
P63/CAS
P64/RAS
GND
1
2
3
4
5
6
7
8
9
10
11
12
13
14
15
16
17
18
19
20
21
22
23
24
25
75
74
73
72
71
70
69
68
67
66
65
64
63
62
61
60
59
58
57
56
55
54
53
52
51
26
27
28
29
30
31
32
33
34
35
36
37
38
39
40
41
42
43
44
45
46
47
48
49
50
100
99
98
97
96
95
94
93
92
91
90
89
88
87
86
85
84
83
82
81
80
79
78
77
76
M
N
O
P
Q
R
S
T
C16 0.1
C15 0.1
+5D
R3
L34
10K
2.5K
Q1
R2
+5D
4.7K
R75
D15
+15V +5A
MA8056
470
R113 470
R114 470
R116 470
R117 470
R118 470
+5D
R9
100
C4
50V1
X1
24MHz
R32
R39
+5D
+15V
C28
C29
C30
+5B
0.116V47P
D12
D13
D14
5.2V1
R43
100
R40
R41
R42
2.2K
2.2K
2.2K
2.2K
100
R30
10K
ABCDEF
R76
1K
2SD601AQ
Q6
C20
0.22
2SB709AR
RESET
1
R23
0
SCHEMATIC DIAGRAM-2

Other manuals for Technics SX-PX662

Related product manuals