EasyManua.ls Logo

Technics SX-PX662

Technics SX-PX662
83 pages
To Next Page IconTo Next Page
To Next Page IconTo Next Page
To Previous Page IconTo Previous Page
To Previous Page IconTo Previous Page
Loading...
E
A
B
C
D
E
1
+5D
2
SOFT
3
SOSU
4
SUST
5
MRXD
6
MTXD
7
CN6
+5D
E
1
SW
2
LED
3
+5D
4
CN9
+5D
R11 470
R12 150K
R13 150K
R14 150K
C8 0.1
C9 0.1
C10 0.1
R10 470
R17 1.5K
R16 1.5K
R15 1.5K
R18 10K
C3
0.1
C2
0.22
C1
5MI
+5D
+5D
SNS
0.22
D3
D2
D1
MA8030H
L35
2.5K
R8
100K
R7
100K
R6
1K
R4
2.2K
R5
1K
Q2
Q3
2SD601AQ
CHECK
TERMINAL
2SB709AR
UNLESS OTHERWISE SPECIFIED:
DIODES ARE MA111TX.
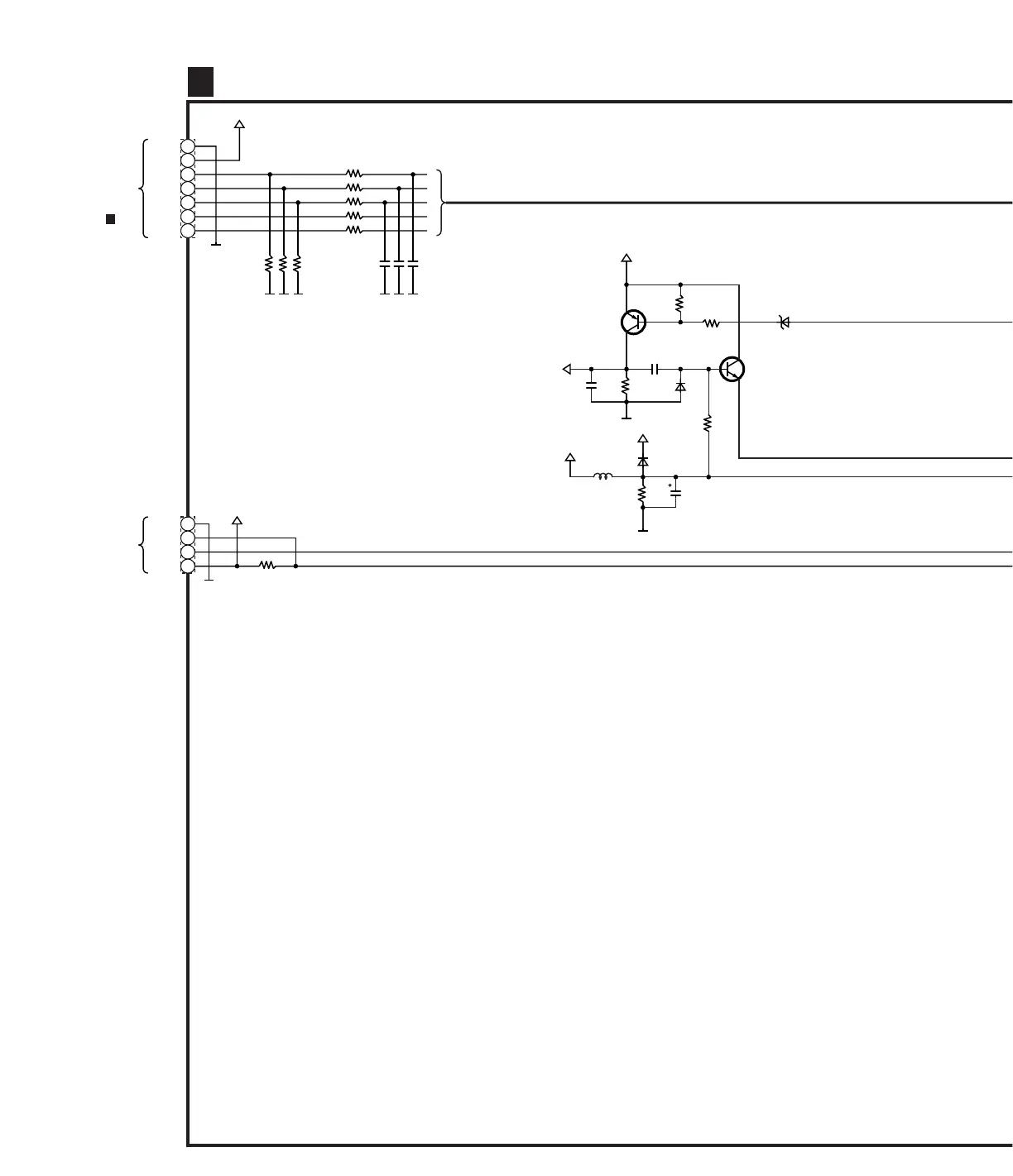
MAIN CIRCUIT
A
SCHEMATIC DIAGRAM-1
NOTE:
The number which noted at the connectors on the schematic diagram as
"SCHEMATIC DIAGRAM-1" or "SCHEMATIC DIAGRAM-2"
indicates the schematic diagram serial number located on the left corner in the schematic diagram.
TO FJASP CIRCUIT
(CN6) ON SCHEMATIC
DIAGRAM 8
B

Other manuals for Technics SX-PX662

Related product manuals