EasyManua.ls Logo

Technics SX-PX662

Technics SX-PX662
83 pages
To Next Page IconTo Next Page
To Next Page IconTo Next Page
To Previous Page IconTo Previous Page
To Previous Page IconTo Previous Page
Loading...
D256
LN282RPXVTX2
E.PIANO2
SW59
DEMO
D59
SW60
MODE
SET
D60
SW66
GRAND
D66
DIGITAL
REVERB
DIGITAL
EFFECT
UPRIGHT
GH I JKL
R32
100
R33
100
R34
100
R35
100
R36
100
R37
100
C10
0.1
+5IP
14
7
10
11
12
13
2
1
4
3
6
5
8
9
VCC
GND
SW67
SW68
D67
D68
D69
E.PIANO1
SW73
D73
E.PIANO2
SW74
D74
HARPSI
SW75
D75
VIBES
SW76
D76
SW84
D84
PIPE
ORGAN
SW81
D81
STRINGS
SW89
D89
D280
LN282RPXVTX2
ROOM
D288
LN282RPXVTX2
PIPE
ORGAN
STRINGS
D257
LN282RPXVTX2
D265
LN282RPXVTX2
GRAND
D281
LN282RPXVTX2
STAGE
D258
LN282RPXVTX2
HARPSI
D266
LN282RPXVTX2
UPRIGHT
D282
LN282RPXVTX2
HALL
D259
LN282RPXVTX2
VIBES
D267
LN282RPXVTX2
E.PIANO1
D283
LN282RPXVTX2
CONCERT
D291
LN282RPXVTX2
DIGITAL
EFFECT
IC3
(HEX BUFFERS)
HD74LS07P
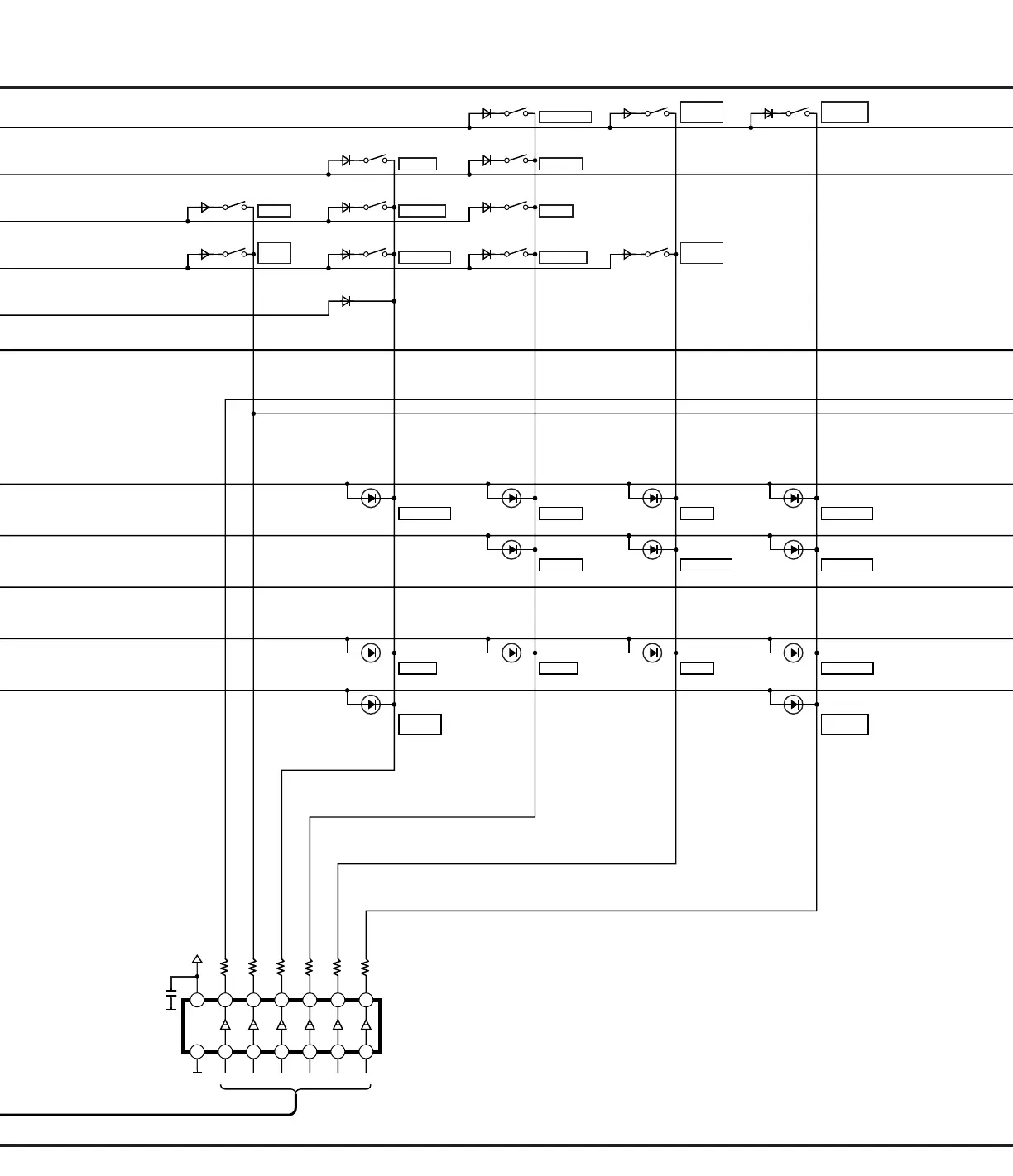
SCHEMATIC DIAGRAM-13

Other manuals for Technics SX-PX662

Related product manuals