EasyManua.ls Logo

Tektronix 485 - Page 141

Tektronix 485
197 pages
Print Icon
To Next Page IconTo Next Page
To Next Page IconTo Next Page
To Previous Page IconTo Previous Page
To Previous Page IconTo Previous Page
Loading...
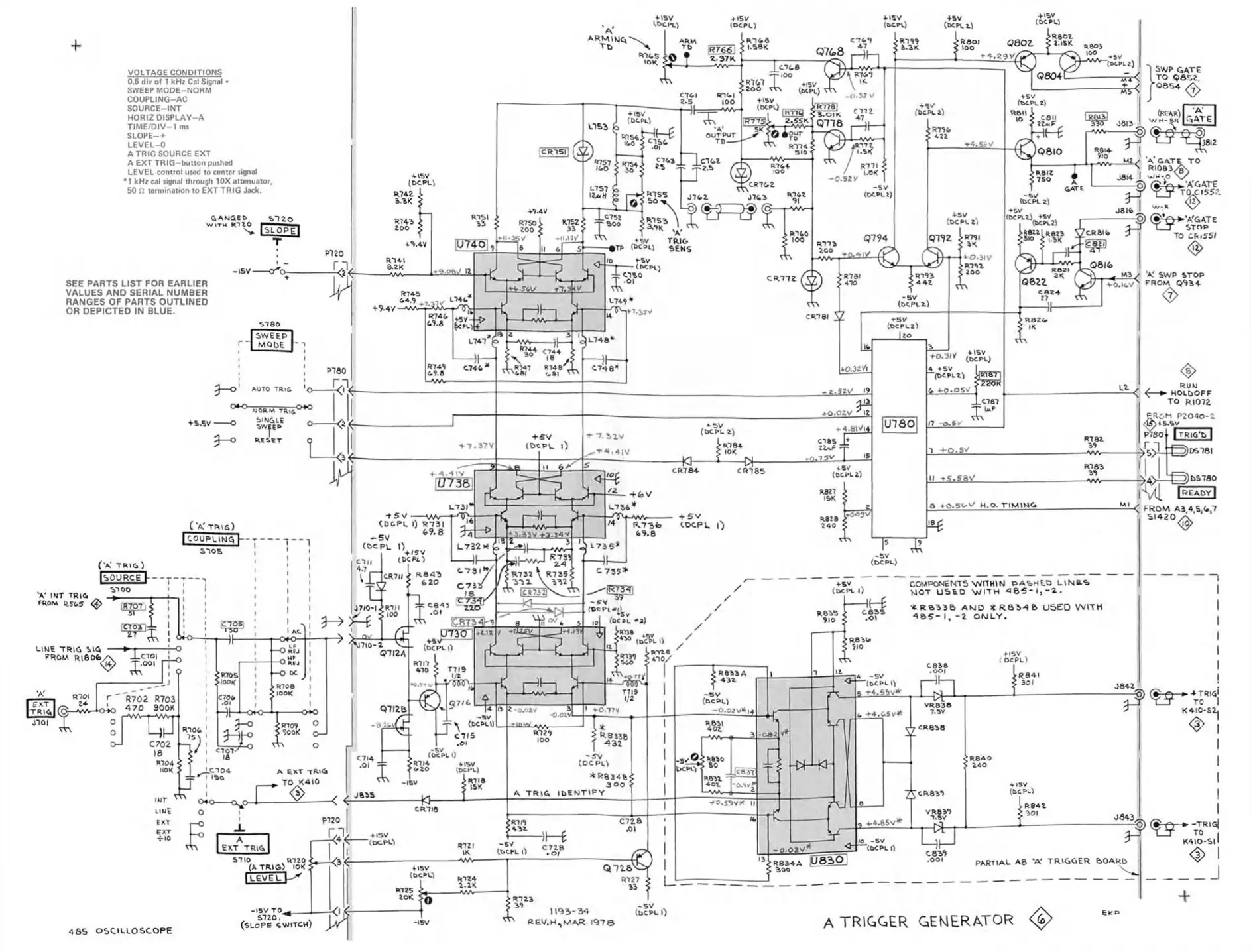
VOLTAGE CONDITIONS
0.5 div of 1 kH? Cal Signal
SWEEP MODE-NORM
COUPLING-AC
SOURCE-INT
HORIZ DISPLAY-A
TIME/DIV-1 ms
SLOPE-♦
LEVEL-0
A TRIG SOURCE EXT
A EXT TRIG-button pushed
LEVEL control used to center signal
* 1 kHz cal signal through 10X attenuator,
50 Q termination to EXT TRIG Jack.
C»AKiGEO
W I T H R H O
QQOZ < MftK
i
---------
*< i
/K/ Hi «\ '
SWP G ATE
t o
0 8 5 4 <$>
SEE PARTS LIST FOR EARLIER
VALUES AND SERIAL NUMBER
RANGES OF PARTS OUTLINED
OR DEPICTED IN BLUE.
flii _ -r-1 '
K
INT TRIG
PROM R.5^5
l in e t r ig s ig
p r o m R lB O fc /
A - R70I r "
rT r|_ 2* ,
r ig I (Q;W v- k m o
j trig
JTOI
X
( X trig)
IsOURCE V
53
;r 8 a o
» 2 4 0
V J3V
t a c p O
< -
® o
CL «<>
W *
J8A3,
--------------
5
+ TRIG
TO
K4-iO*S2j
<3> 1
C8S^
.ooi
-»5V T0
ST20.
PARTIAL AB 'A ' TRIGGER bO A kb
- trig|
TO
KAtO-Sl I
4 85 OSCILLOSCOPE
(Slope switch)
11 9 3 - 3 4
R EV .H ^M AR 197©
-SV v
(t>CPL l)
A TRIGGER GENERATOR

Table of Contents

Related product manuals