EasyManua.ls Logo

Telcoma ZEN 100E - Page 26

Telcoma ZEN 100E
Print Icon
To Next Page IconTo Next Page
To Next Page IconTo Next Page
To Previous Page IconTo Previous Page
To Previous Page IconTo Previous Page
Loading...
26
F
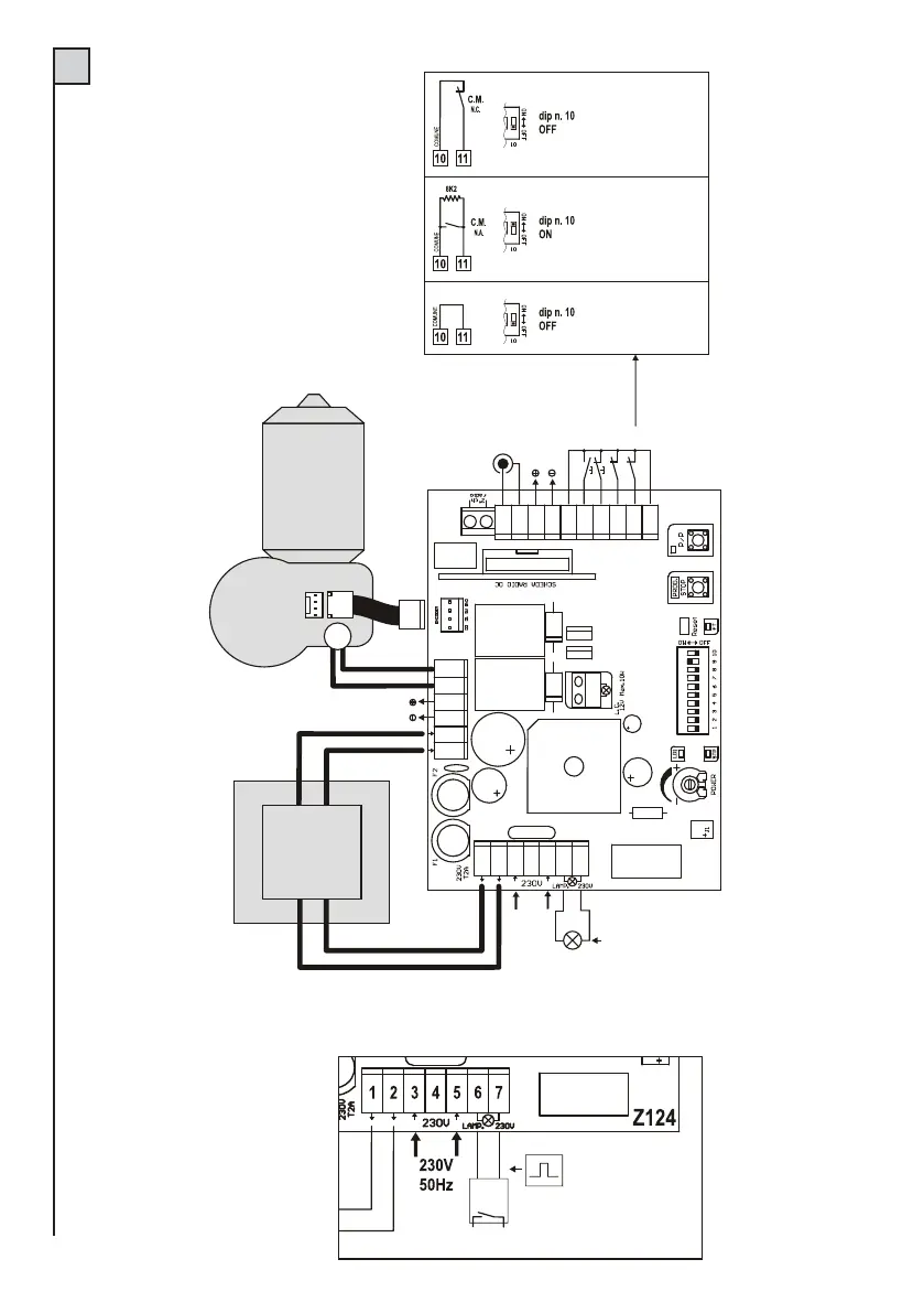
Z124
6
8
1
7
9
234
11
10
5
12
13
14
15
19
16
17
18
M
24V
c.c.
24V
c.c.
Antenna
FT1
C.M.
C
C
STOP
P/P
230V max. 100W
(cambio funzione con
dip n. 3 e 4)
Lampeggiante
24V
c.c.
230V
50Hz
22V
230V
24
20 23
2221
25
Connexion de barre
palpeuse contact
Normalement Fermé
Connexion de barre
palpeuse contact
Normalement Ouvert
selon la norme EN 12978
Entrée non utilisée.
Connecter la borne
11 avec la 10 et mettre
le dip n. 10 sur OFF
Fig. 15
TAB. 2
!'%.-/%%0
123/'(44
3"5
Fig. 15B

Related product manuals