EasyManua.ls Logo

Telcoma ZEN 100E - Page 42

Telcoma ZEN 100E
Print Icon
To Next Page IconTo Next Page
To Next Page IconTo Next Page
To Previous Page IconTo Previous Page
To Previous Page IconTo Previous Page
Loading...
42
E
Z124
6
8
1
7
9
234
11
10
5
12
13
14
15
19
16
17
18
M
24V
c.c.
24V
c.c.
Antenna
FT1
C.M.
C
C
STOP
P/P
230V max. 100W
(cambio funzione con
dip n. 3 e 4)
Lampeggiante
24V
c.c.
230V
50Hz
22V
230V
24
20 23
2221
25
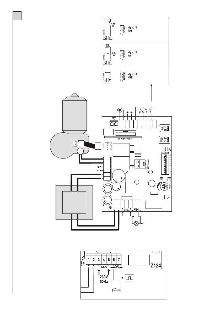
Conexión de banda
con contacto
Normalmente Cerrado
Conexión de banda con
contacto Normalmente
Abierto De conformidad
con la normativa EN 12978
Entrada no utilizada.
Conecte el borne 11 con
el 10 y coloque el dip
n° 10 en OFF
Fig. 15
TAB. 2
!'%.-/%%0
123/'(44
3"5
Fig. 15B

Related product manuals