EasyManua.ls Logo

Telcoma ZEN 100E - Page 58

Telcoma ZEN 100E
Print Icon
To Next Page IconTo Next Page
To Next Page IconTo Next Page
To Previous Page IconTo Previous Page
To Previous Page IconTo Previous Page
Loading...
58
GB
Z124
6
8
1
7
9
234
11
10
5
12
13
14
15
19
16
17
18
M
24V
c.c.
24V
c.c.
Antenna
FT1
C.M.
C
C
STOP
P/P
230V max. 100W
(cambio funzione con
dip n. 3 e 4)
Lampeggiante
24V
c.c.
230V
50Hz
22V
230V
24
20 23
2221
25
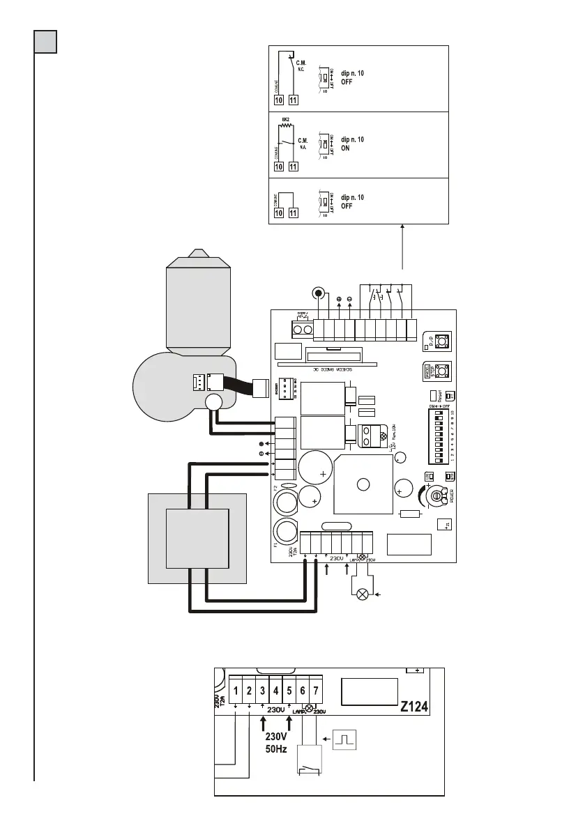
Connection of
edge with Normally
closed contact
Connection of
edge with Normally
open contact
In compliance with
standard EN 12978
Input not used.
Connect terminal 11
with terminal 10 and set
dip-switch no. 10 to OFF
Fig. 15
TAB. 2
!'%.-/%%0
123/'(44
3"5
Fig. 15B

Related product manuals