EasyManua.ls Logo

Telcoma ZEN 100E - Page 74

Telcoma ZEN 100E
Print Icon
To Next Page IconTo Next Page
To Next Page IconTo Next Page
To Previous Page IconTo Previous Page
To Previous Page IconTo Previous Page
Loading...
74
D
Z124
6
8
1
7
9
234
11
10
5
12
13
14
15
19
16
17
18
M
24V
c.c.
24V
c.c.
Antenna
FT1
C.M.
C
C
STOP
P/P
230V max. 100W
(cambio funzione con
dip n. 3 e 4)
Lampeggiante
24V
c.c.
230V
50Hz
22V
230V
24
20 23
2221
25
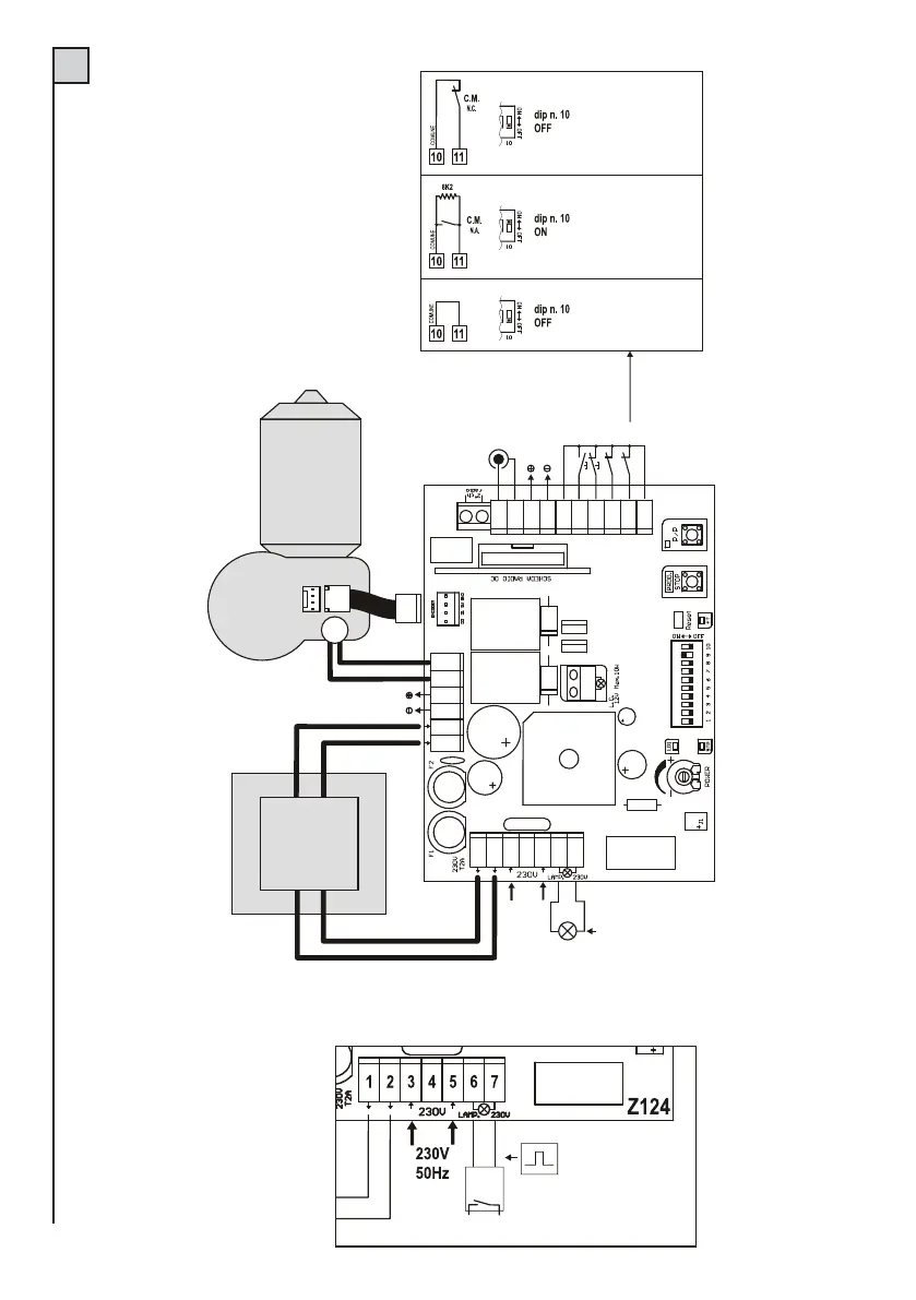
Anschluss von
Schaltleiste mit
gewöhnlich
geschlossenem Kontakt
Anschluss von
Schaltleiste mit
gewöhnlich geöffnetem
Kontakt In Konformität
mit der Norm EN 12978
Nicht benutzter Eingang.
Die Klemme 11 an der
Nr. 10 anschließen und
Dip Nr. 10 auf OFF stellen
Abb. 15
TAB. 2
!'%.-/%%0
123/'(44
3"5
Abb. 15B

Related product manuals