EasyManua.ls Logo

Teletek electronics Natron WE-C - Page 16

Teletek electronics Natron WE-C
16 pages
Print Icon
To Previous Page IconTo Previous Page
To Previous Page IconTo Previous Page
Loading...
16
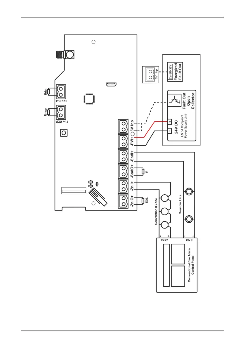
19. General Connection Diagram of Natron WE-C
18021250, RevB, 07/2023

Related product manuals