EasyManua.ls Logo

Telex RadioCom BTR-800 - Page 8

Telex RadioCom BTR-800
91 pages
Print Icon
To Next Page IconTo Next Page
To Next Page IconTo Next Page
To Previous Page IconTo Previous Page
To Previous Page IconTo Previous Page
Loading...
1-2
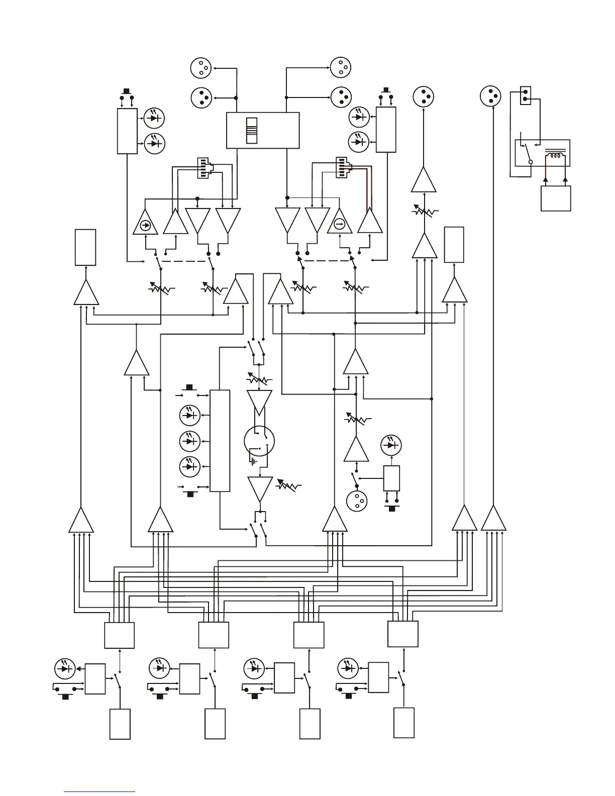
PORTABLE
STATION 1
CONNECT
RECEIVE
1
LOGIC
PORTABLE
STATION 2
CONNECT
LOGIC
1 OF 5
RECEIVE
2
PORTABLE
STATION 3
CONNECT
LOGIC
RECEIVE
3
PORTABLE
STATION 4
CONNECT
RECEIVE
4
LOGIC
LOGIC
WTA A
TRANSMIT 1
LOGIC
SELECT
FEMALE
MALE
XLR
2
W
I
R
E
4
W
I
R
E
2 WIRE
4 WIRE
INTERCOM A
I/C
T
E
L
E
X
R
T
S
C
L
E
A
R
C
O
M
CHANNEL B
AUXILIARY
AUDIO
INPUT
XLR
FEMALE
ON/OFF
ON/O.M.
IN
INTERCOM B
OUT
2 WIRE
4 WIRE
R
J11
STYLE
2 WIRE
INTERCOM A
OUT
INTERCOM A
IN
INTERCOM B
IN
RJ11
STYLE
4 WIRE
4 WIRE
2 WIRE
MALE
FEMALE
XLR
SELECT
LOGIC
INTERCOM B
AUXILIARY
AUDIO
OUTPUT
XLR
MALE
OUT
TRANSMIT 2
WTA B
SELECT
1 OF 5
SELECT
1 OF 5
SELECT
1 OF 5
SELECT
SA
MIC
GAIN
XLR
HEADSET
1
4
2
3
LOGIC
CHANNEL
SELECT
CHANNEL A
TALK
TALK
A
B
VOLUME
LOGIC
XLR
MALE
STAGE
ANNOUNCE
OUTPUT
RELAY
CONTACT
mar g aiD kcolB 008-RTB

Table of Contents

Related product manuals