EasyManua.ls Logo

Telit Wireless Solutions ME910C1-WW - Reel Detail

Telit Wireless Solutions ME910C1-WW
99 pages
Print Icon
To Next Page IconTo Next Page
To Next Page IconTo Next Page
To Previous Page IconTo Previous Page
To Previous Page IconTo Previous Page
Loading...
ME910C1 HW User Guide
1VV0301351 Rev.8 Page 90 of 99 2018-09-28
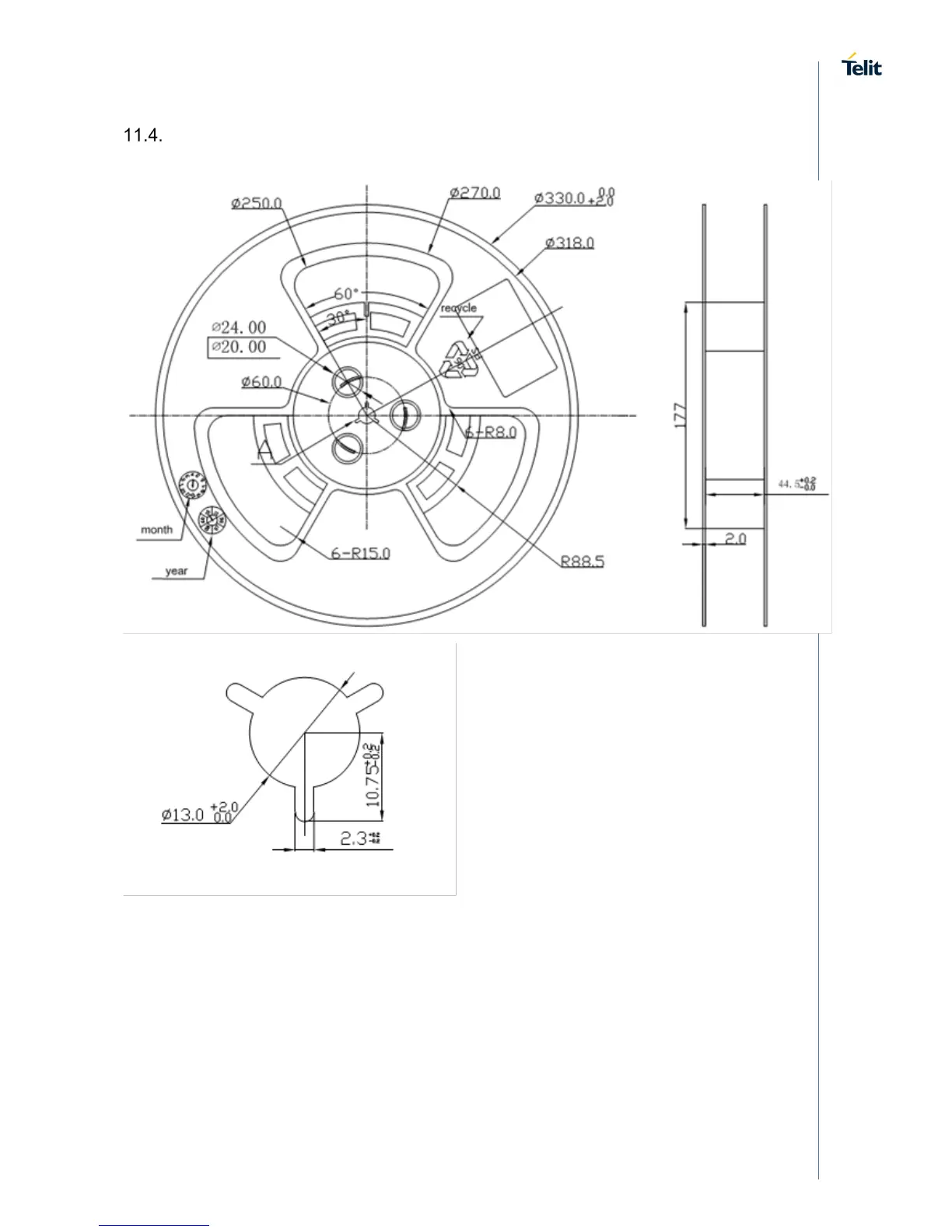
Reel detail

Table of Contents

Other manuals for Telit Wireless Solutions ME910C1-WW

Related product manuals