EasyManua.ls Logo

Telit Wireless Solutions ME910G1-WW - FCC and ISED Regulatory Notices

Telit Wireless Solutions ME910G1-WW
97 pages
To Next Page IconTo Next Page
To Next Page IconTo Next Page
To Previous Page IconTo Previous Page
To Previous Page IconTo Previous Page
Loading...
ME910G1 HW Design Guide
1VV0301593 Rev.3 Page 84 of 97 2020-03-24
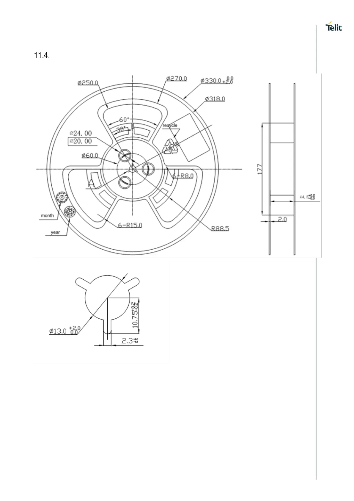
Reel detail

Table of Contents

Other manuals for Telit Wireless Solutions ME910G1-WW

Related product manuals