EasyManua.ls Logo

Temptek CF Series - Water-Cooled Electrical Schematics

Temptek CF Series
84 pages
Print Icon
To Next Page IconTo Next Page
To Next Page IconTo Next Page
To Previous Page IconTo Previous Page
To Previous Page IconTo Previous Page
Loading...
CF Series Portable Chiller : Air & Water-Cooled : 5 - 40 Tons
Page: 65
TEMPTEK, INC.
525 East Stop 18 Road Greenwood, Indiana 46142
317-887-6352 Fax: 317-881-1277
Email: service@Temptek.com
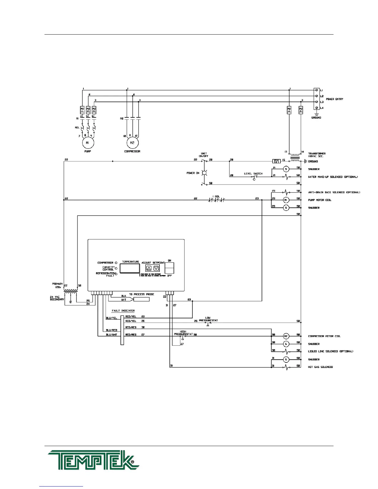
7.6 TYPICAL ELECTRICAL SCHEMATIC : WATER-COOLED MODELS
Electrical schematic is presented for illustration purposes only.
For exact details, consult the electrical drawing supplied with your machine.

Table of Contents