EasyManua.ls Logo

Ten-Tec RX-340 - Page 127

Ten-Tec RX-340
174 pages
Print Icon
To Next Page IconTo Next Page
To Next Page IconTo Next Page
To Previous Page IconTo Previous Page
To Previous Page IconTo Previous Page
Loading...
10-23
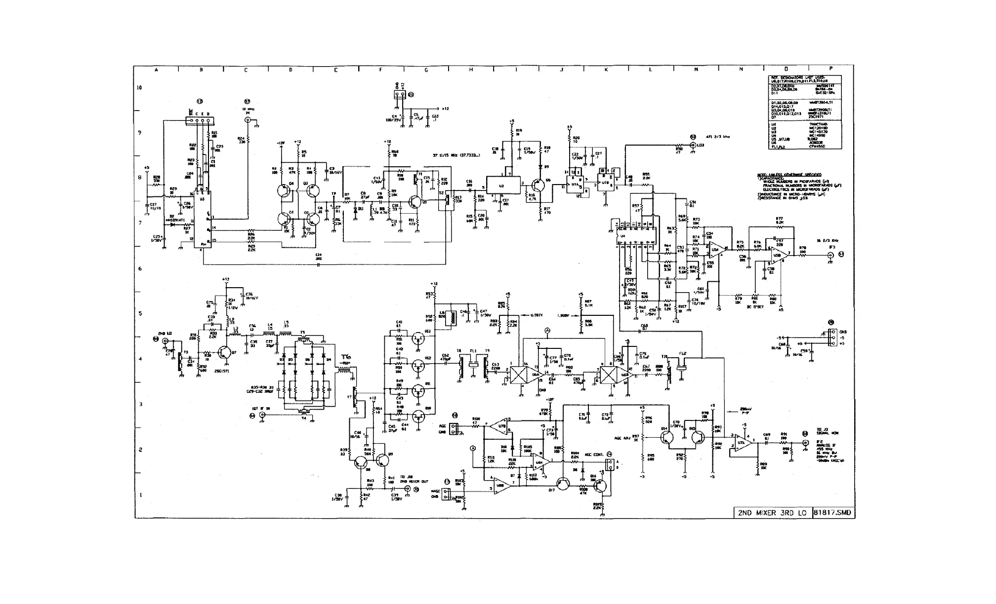
FIGURE 10-18 81817 SMD 2nd MIXER/IF SCHEMATIC

Related product manuals