EasyManua.ls Logo

Textron Jacobsen JZT 2000 Series - Page 48

Textron Jacobsen JZT 2000 Series
70 pages
To Next Page IconTo Next Page
To Next Page IconTo Next Page
To Previous Page IconTo Previous Page
To Previous Page IconTo Previous Page
Loading...
46
JZT 2000
Series
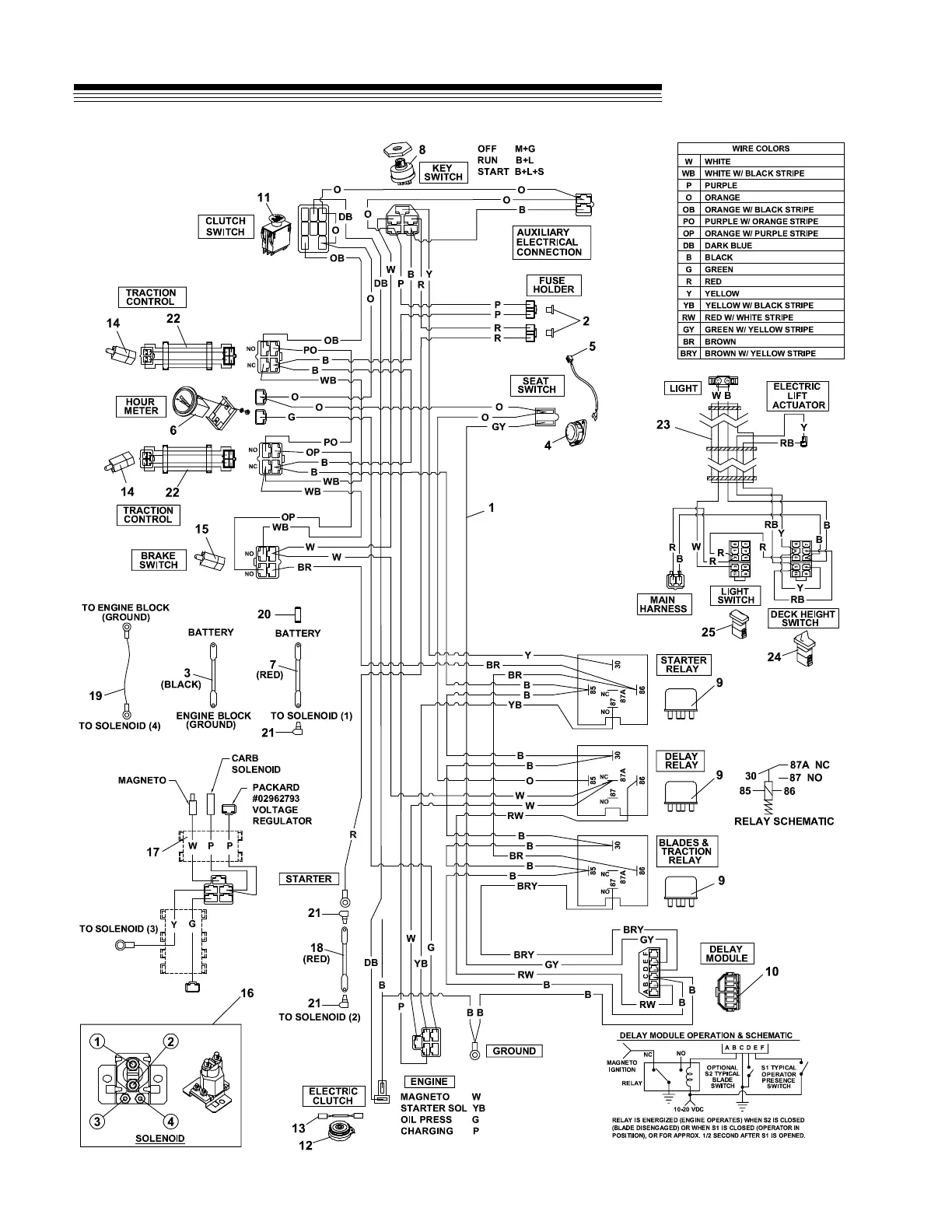
FIGURE 11
KAWASAKI WIRE HARNESS

Related product manuals