EasyManua.ls Logo

Thermo Pride OH5-85DE - Page 8

Thermo Pride OH5-85DE
21 pages
Print Icon
To Next Page IconTo Next Page
To Next Page IconTo Next Page
To Previous Page IconTo Previous Page
To Previous Page IconTo Previous Page
Loading...
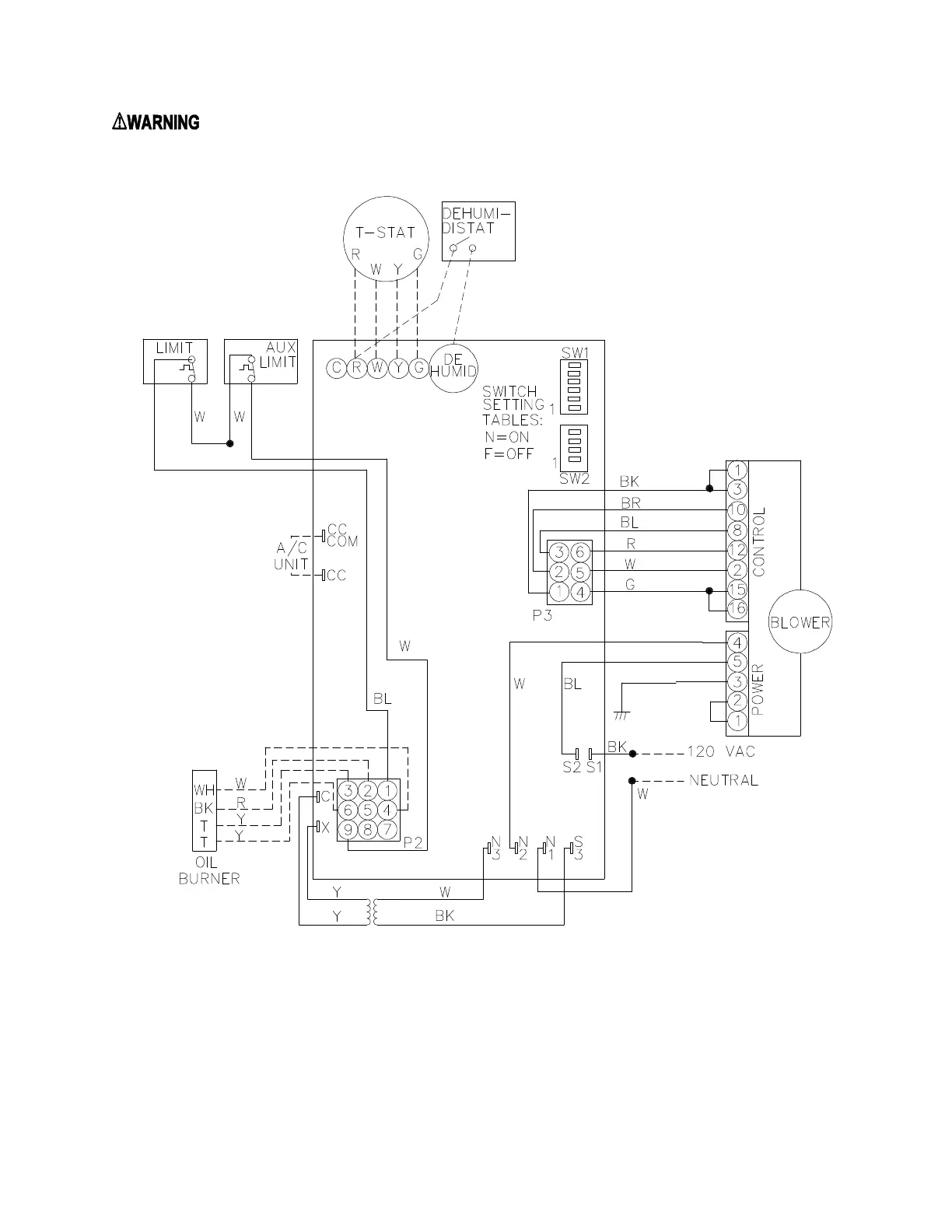
All installations and services must be performed by qualified service personnel.
6
: TURN OFF THE ELECTRICAL POWER to the furnace before attempting to disconnect blower
wiring.
COUNTERFLOW
Figure 2: BLOWER WIRING

Related product manuals