EasyManua.ls Logo

Thermo Pride OH6FA072D48B - Page 77

Thermo Pride OH6FA072D48B
79 pages
Print Icon
To Next Page IconTo Next Page
To Next Page IconTo Next Page
To Previous Page IconTo Previous Page
To Previous Page IconTo Previous Page
Loading...
74
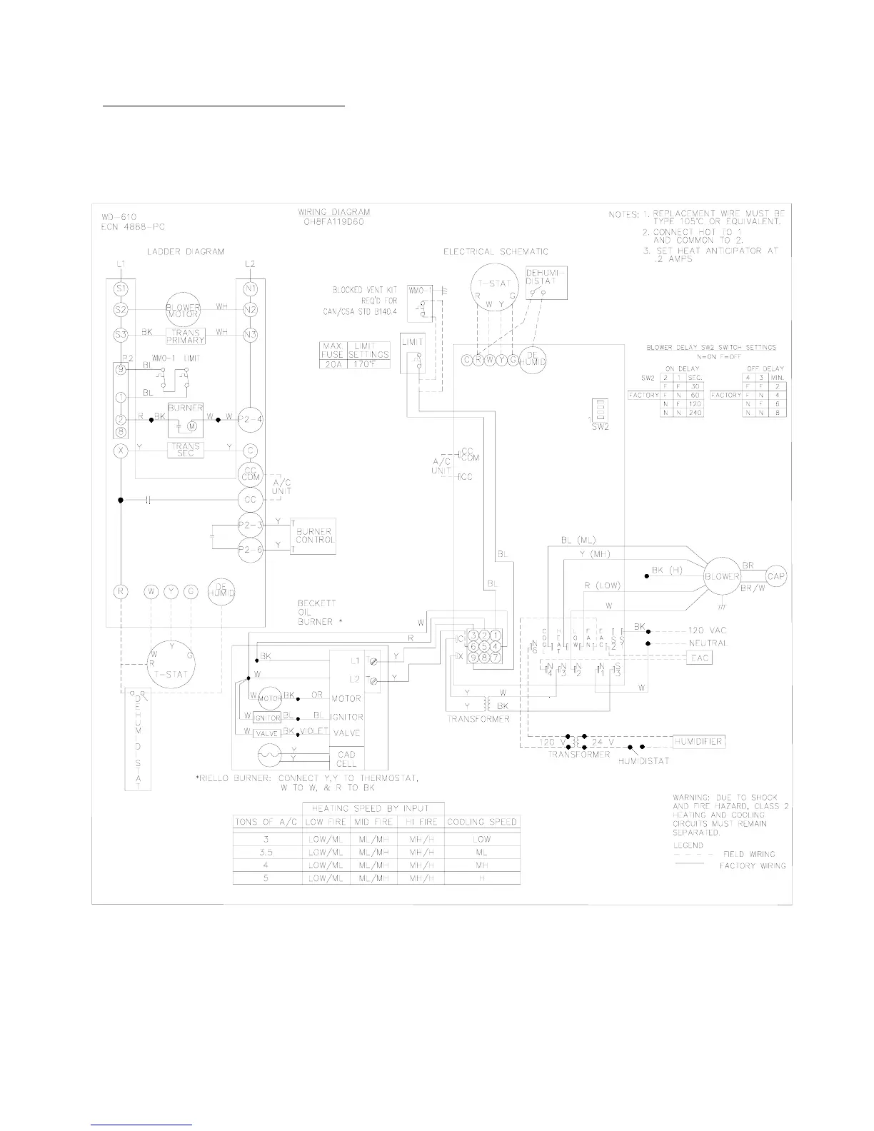
OH8FA1119D60 PSC Wiring Diagram

Related product manuals