EasyManua.ls Logo

Thermo Scientific 3721 - Page 45

Thermo Scientific 3721
48 pages
Print Icon
To Next Page IconTo Next Page
To Next Page IconTo Next Page
To Previous Page IconTo Previous Page
To Previous Page IconTo Previous Page
Loading...
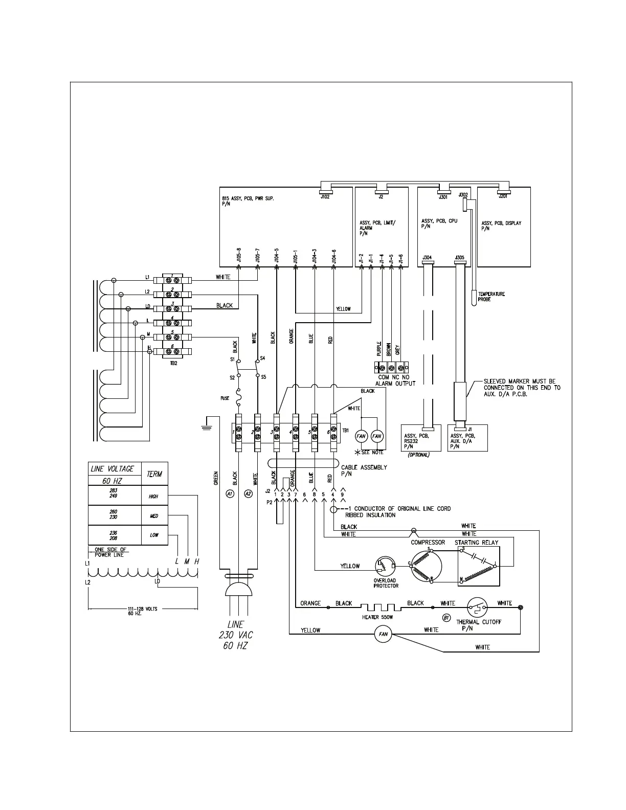
9-2 Low Temp Incubator Thermo Scientific
Section 9
Electrical Schematics
3176814
3176813
3176707
3176815
3177654
3176720
3176804
3175264
3176759
WIRING DIAGRAM, 815 INCUBATOR 230V
* NOTE: DUAL FANS ARE USED ON ONLY ON
BODYS WITH MODEL MFU20F36W9
SINGLE FAN USED IN MODEL FFU2064DW1 & TFFU2065FW4
Section 9
Electrical Schematics

Related product manuals