EasyManua.ls Logo

Thomas 153 - Hydraulic; Hydrostatic Circuit

Thomas 153
72 pages
Print Icon
To Next Page IconTo Next Page
To Next Page IconTo Next Page
To Previous Page IconTo Previous Page
To Previous Page IconTo Previous Page
Loading...
55
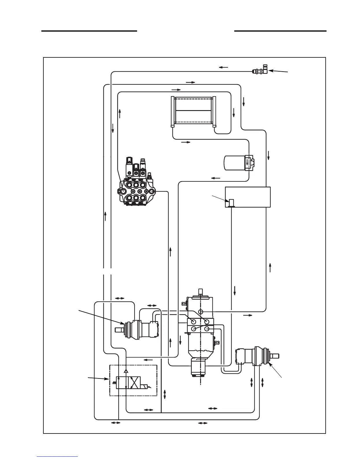
4.14 HYDRAULIC / HYDROSTATIC CIRCUIT
P
P
T
T
A
A
B
B
4. MAINTENANCE
C4218
Fig. 4. 12
Oil Tank
Control Valve
Torque Motor
w/ Brakes
Oil Filter
Brake
Release
Coupler
Oil Cooler
Hydraulic Gear
Pump
Brake
Valve
Tandem Pump
Torque Motor
w/ Brakes
100
Micron Filter

Other manuals for Thomas 153

Related product manuals