EasyManua.ls Logo

Thor Motor Coach Class B+ - Page 63

Thor Motor Coach Class B+
152 pages
Print Icon
To Next Page IconTo Next Page
To Next Page IconTo Next Page
To Previous Page IconTo Previous Page
To Previous Page IconTo Previous Page
Loading...
62
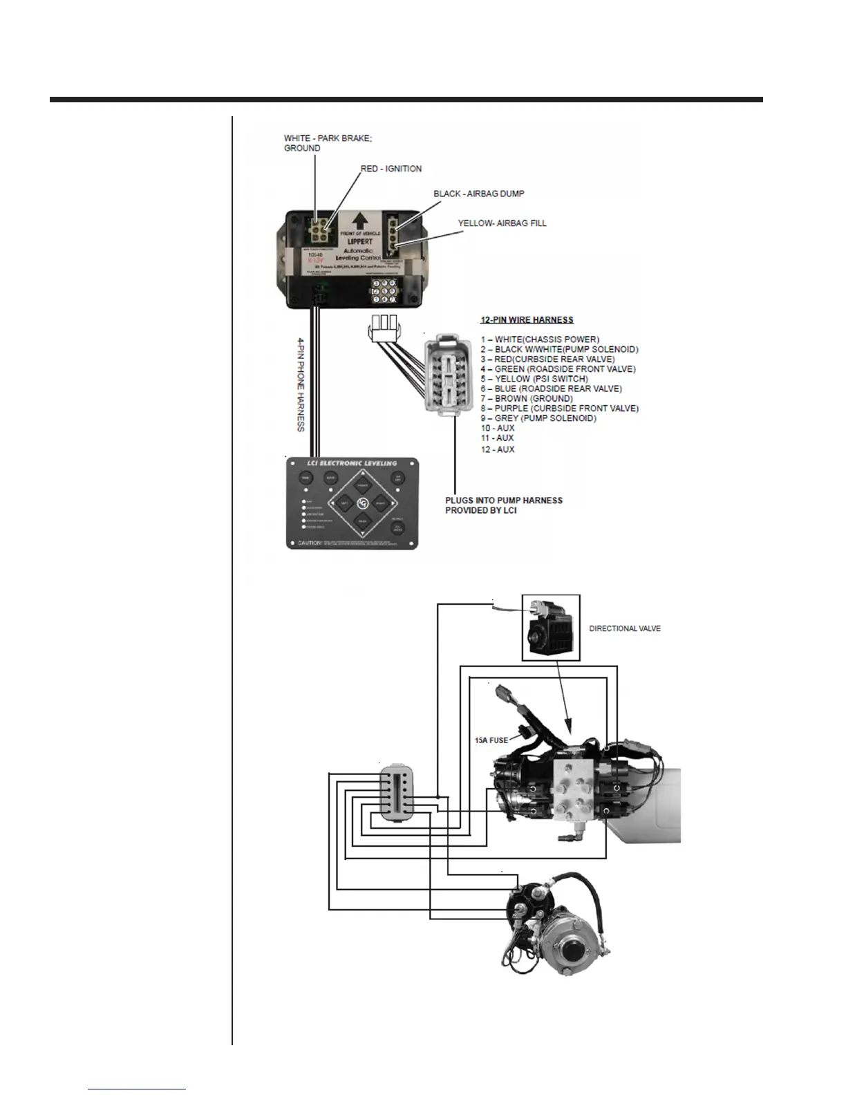
Hydraulic Pump
Function Wiring
Controls and Operations

Table of Contents

Related product manuals