EasyManua.ls Logo

Thytronic NA11

Thytronic NA11
190 pages
To Next Page IconTo Next Page
To Next Page IconTo Next Page
To Previous Page IconTo Previous Page
To Previous Page IconTo Previous Page
Loading...
61
NA11 - Manual - 02 - 2009
FUNCTION CHARACTERISTICS
I
E
I
E
I
E
tE
>>
def
IECLP>>
def
IE>>
def
IECLP>>Mode
tECLP>>
tE
>>
RES
IE>> Enable
tE
>>>
def
IECLP>>>
def
IE>>>
def
IECLP>>>Mode
tECLP>>>
tE
>>>
RES
IE>>> Enable
tE
>
def
IECLP>
def
IE>
def
tE
>
inv
IECLP>
inv
IE>
inv
IE>Curve
IECLP>Mode
tECLP>
tE
>
RES
IE> Enable
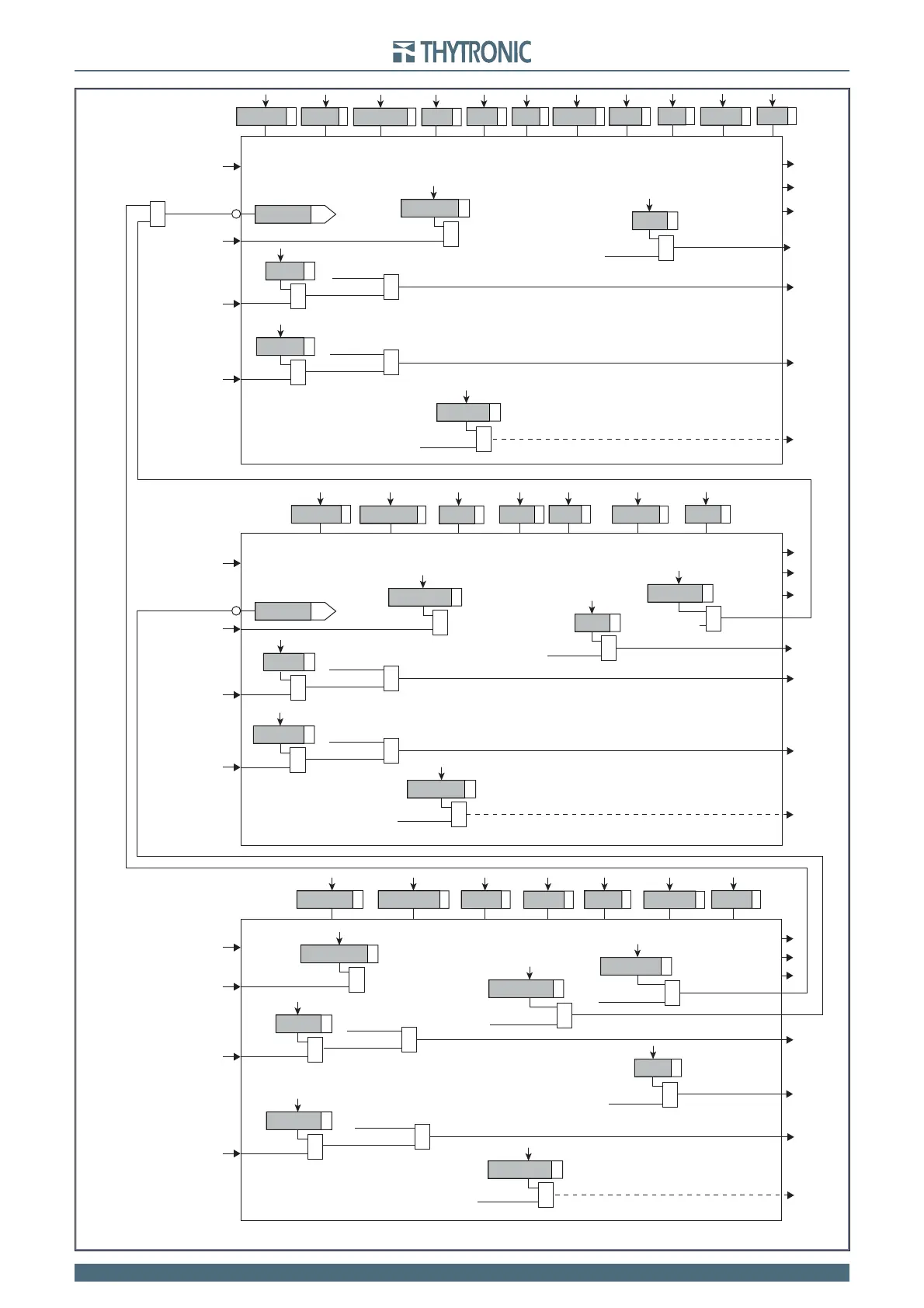
all-F50N-51N.ai
General logic diagram of the residual overcurrent elements - 50N/51N
IE>> inhibition
BLK1IE>>>
IE>>>BF
IE>>> Element
Start IE>>>
Start IE>>>
Start IE>>>
Trip IE>>>
Trip IE>>>
&
IE>> disbyIE>>>
&
IE>>>BLK2IN
&
IE> disbyIE>>>
BLK1IE>>
IE>> Element
BLK2OUT
Start IE>>
Start IE>>
Trip IE>>
&
IE> disbyIE>>
&
IE>>BLK1
&
IE>>BLK2IN
IE> inhibition
Block1
BLK1IE>
CLPIE>
CLPIE>>
CLPIE>>>
IE> Element
BLK2OUT
BLK2INIE>
BLK2INIE>>
Start IE>
Trip IE>
&
IE>BLK1
Block2
&
IE>BLK2IN
Start I2ndh>
&
IE>2ndh-REST
IE>BLK2OUT
Start I2ndh>
&
IE>>2ndh-REST
Start I2ndh>
&
IE>>>2ndh-REST
&
IE>>>BF
IE>>BF
IE>> Trip
&
IE>>BF
IE>BF
Trip I>
&
IE>BF
Start IE>
&
IE>>BLK2OUT
Start IE>>
&
BLK2OUT
IE>>>BLK2OUT
Start IE>>>
&
Block1
Block2
&
IE>>>BLK1
Block1
Block2
Start I>
&
Start IE>>
&
Start IE>>>
&
Start IE>>
&
BLK2INIE>>>
Start IE>>>
&
Start I>
&

Table of Contents

Related product manuals