EasyManua.ls Logo

Timberwolf TW190TDHB - Circuit Diagram

Timberwolf TW190TDHB
51 pages
Print Icon
To Next Page IconTo Next Page
To Next Page IconTo Next Page
To Previous Page IconTo Previous Page
To Previous Page IconTo Previous Page
Loading...
30
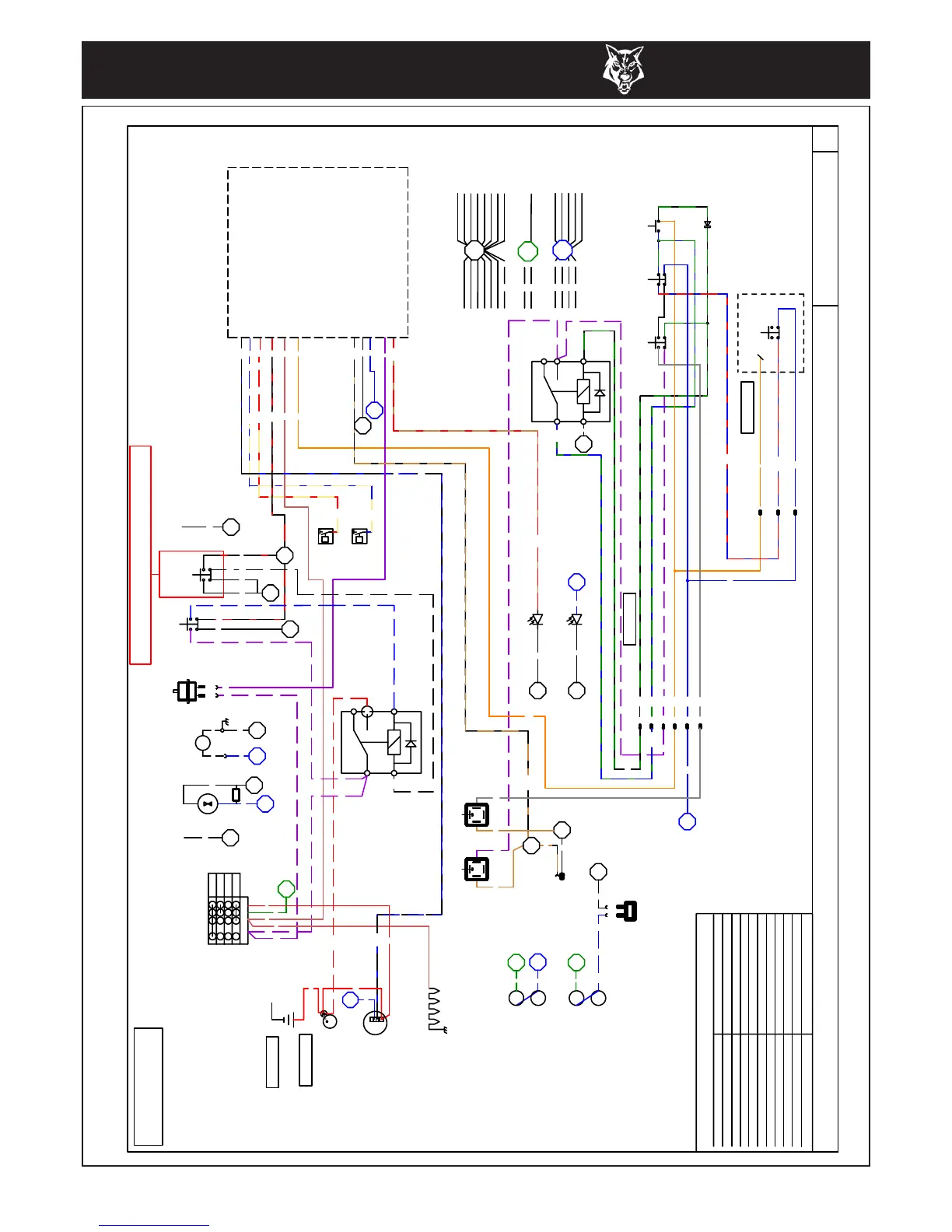
CIRCUIT DIAGRAM
DOCUMENT No. ISSUE
CIRCUIT DIAGRAM FOR: 190 (T)DHB and 190 (T)FTR (H-BOX)
2190-CD
KEY SWITCH
ACC
OFF
RUN
START
F
D
E
C
B
A
SPLIT TO FUNNEL LOOM
1
2
HOUR
FUEL
FUEL
SOLENOID
ROTOR
SWITCH EMERGENCY
SWITCH
1-AC 3mm
41 1mm12 .5mm
p
t
1mm40
15 1mm
1.5mm
16
WATER TEMP
SWITCH
OIL PRESS
SWITCH
LED
HEATERS
ON LED
LED
LED
POWER ON
FUSE 1
IGP
FUSE 2
AUX
1mm
2mm
15
5
14
BLUE
SP#4
0.5
AUX POWER
CONN
SOLENOID
FWD
REVERSE
SOLENOID
3
ENGINE
GROUND
POINT
ENGINE SPD
SIGNAL
(INDUCTIVE)
.5mm14
.5mm
8
1mm40
1mm
3mm
27
48
18 2mm
1mm20
SAFETY SW
N.O./N.C.
B
LINK LEAD
LINK LEAD
85
30
86
87
87a
START
RELAY
LATCH RELAY
FWD SOL
GROUND
SECURITY
ENGINE
40 1mm
39 1mm
40 1mm
8 0.5
50E 1mm
40
40 1mm
1mm
R
1mm33
7 1mm 28 1mm
PUMP
METER
CONFIGURATION T.B.A.
2
1
2
3
1 2
3
1
85
30
87a
86
87
SPLIT TO SAFETY SWITCH LOOM
B BLACK
BL BLUE
BR BROWN
R RED
G GREEN
Y YELLOW
P PURPLE
W WHITE
B/G BLACK WITH GREEN TRACER
BL/R BLUE WITH RED TRACER
BL/G BLUE WITH GREEN TRACER
KEY TO WIRING
O ORANGE
B/R BLACK WITH RED TRACER
GREEN
SP#2
BLACK
SP#1
BL
G
BL/W BLUE WITH WHITE TRACER
BL/W
B
P/W PURPLE WITH WHITE TRACER
BR
P/W
B/BR
B/BR
B/BR BLACK WITH BROWN TRACER
W
O
B
B
BL
W
BL
O
P/W
P/W
BL/G
B/G
BL
BL
BL/G
B/G
P/W
P/W
BL/G
B
BL
O
BL/R
BL/R
P/W
P/W
BR
BR
G
R
R
BL/B BLUE WITH BLACK TRACER
W/R WHITE WITH RED TRACER
W/R
B
BL
B B/W
P
BR/R
O
Y/B YELLOW WITH BLUETRACER
Y/BL
Y/R
BR
B
B
W/R
B
B/R
B/R
BL/W
P/W
P/W
P/W
BL/B
O/W ORANGE WITH WHITE TRACER
O/Y ORANGE WITH YELLOW TRACER
B/R
35 1mm
SP
2
SP
2
SP
2
SP
1
SP
1
SP
1
SP
1
SP
6
SP
1
SP
1
SP
1
SP
1
SP
1
SP
1
SP
5
SP
4
SP
4
SP
4
SP
4
GLOW
PLUGS
PULL HOLD
2
1
ALTERNATOR
ROTOR
O/P
STARTER
BATTERY
STARTER
SOL TERM
ENG GND POINT
BATT 25mm
BATT 25mm
R
R
BL
R
MAIN TERM
STARTER
MOTOR
SP
4
REV STOP
N.C./N.C.
FWD
A
B
CD
N.O./N.C.
13 14
21 22
N.O.
13
14
CD
N.O./N.C.
AB
CD
AB
BR
G
N.O./N.C.
13 14
21 22
B/W
Y/BL
Y/R
190 ROAD MACHINES WOULD NOT HAVE THIS SWITCH.
CONNECT "ONLY" THE BLACK/WHITE WIRE TO ONE OF THE BLACK WIRES.
B
MAIN LOOM 18482
COMPONENT LIST:
MAIN LOOM: 17276/2, FUNNEL LOOM: 1975/3, SAFETY BAR LOOM: 1406/1
POSITIVE BATTERY CABLE: 1375/2, NEGATIVE BATTERY CABLE: 1376/2
NO STRESS SENSOR: 1638/2
PART No. 1376
PART No. 1375
PART No. 1406
PART No. 1975
B/W
M
BL
SP
4
SP
1
B
B
TACHO SIG / ALT
B
BL
BR/B
BR/R
Y/R
Y/BL
B/R
BR
O
SP
1
SP
4
GLOW PLUG LAMP
OUT 3
BAT
OUT 5
OUT 1
OUT 2
15
16
17
18
14
13
12
FUEL HOLD SOLENOID
BAT 12 V IGP
SOL GND SPEED CONTROLLED
EMERGENCY/ROTOR SWITCH
RESET REVERT TO RESET MODE
STT
RST
AX1
AX2
GND
EPC
8
9
10
11
7
5
6
GND 0v
GLOW PLUG I/P
IN-
EPA
IN+
EPB
1
3
2
4
SPEED SIG -
SPEED SIG +
OIL PRESSURE SW
WATER TEMP SW
CONTROLLER
H-BOX PCU
FROM SAFETY SWITCH
U/B
AX2
AX1
OUT 4
AUTO REVERSE PULSE OUTPUT
P
Date Last Modified: 8th July 09
TIMBERWOLF
TW 190TDHB

Related product manuals