EasyManua.ls Logo

Toa A-1712 - System Block Diagram

Toa A-1712
12 pages
Print Icon
To Next Page IconTo Next Page
To Next Page IconTo Next Page
To Previous Page IconTo Previous Page
To Previous Page IconTo Previous Page
Loading...
10
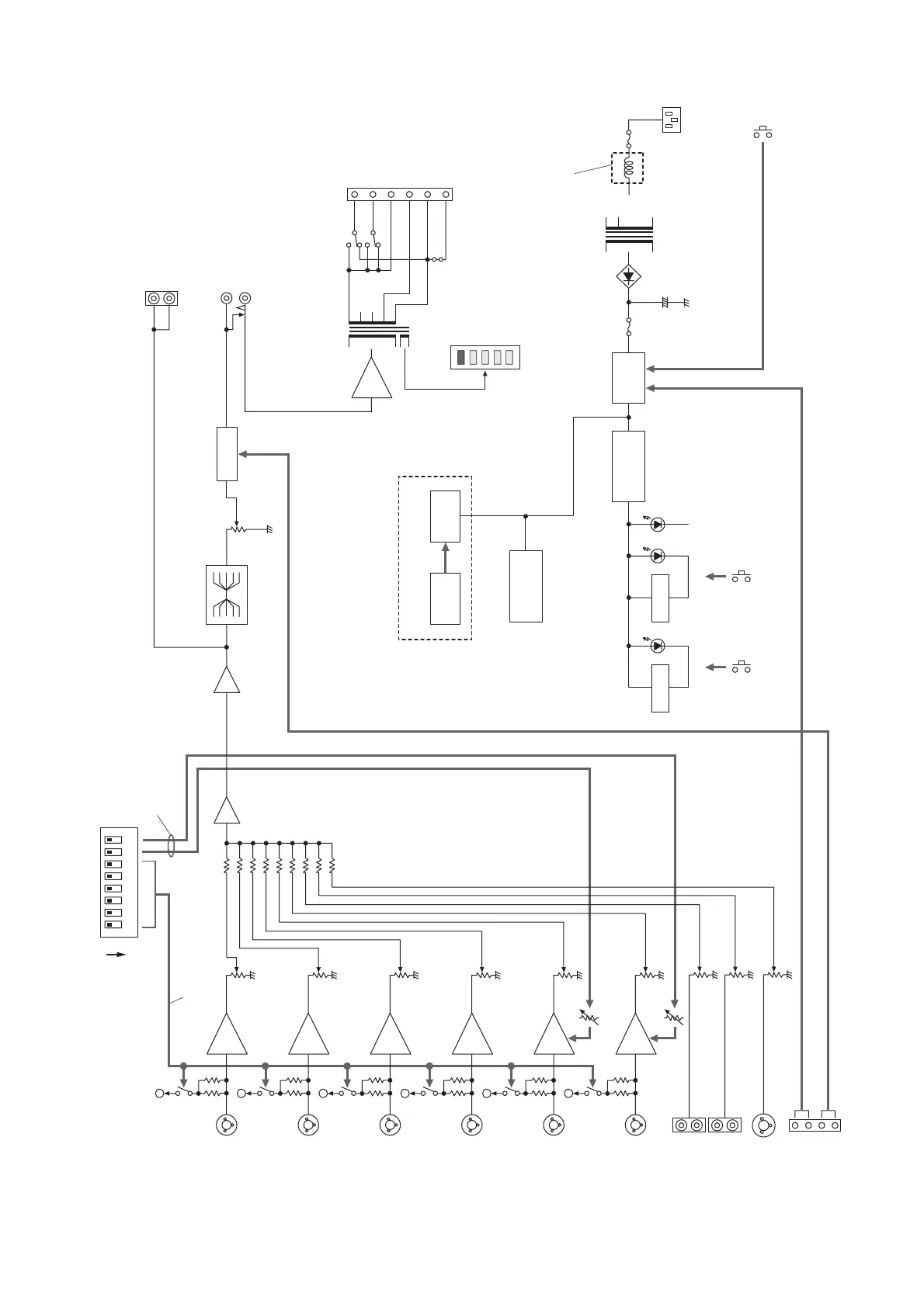
11. BLOCK DIAGRAM
+
+
+
+
+
+
87654321
AUX 4
20 dB/10 kΩ
AUX 3
20 dB/10 kΩ
MIC 6
60 dB/600 Ω
AUX 2
20 dB/600 Ω
MIC 5
60 dB/600 Ω
AUX 1
20 dB/600 Ω
MIC 4
60 dB/600 Ω
MIC 3
60 dB/600 Ω
MIC 2
60 dB/600 Ω
MIC 1
60 dB/600 Ω
AUX 5
20 dB/10 kΩ
POWER
REMOTE
REMOTE
VOLUME
+
H
C
(70 V)
240 V
230 V
VCA
Relay 2 Relay 1
Power
remote
EB
EB
EB
EB
EB
EB
PA
ON
POWER
switch
Power for
control section
Power for
audio section
Thermal
sensor
Fan
240 W only
ZONE 2 ZONE 1
ZONE 1 (100 V)
ZONE 2 (100 V)
Zone 2 Zone 1
POWER
220 – 230 V AC
or 240 V AC,
50/60 Hz
A-1712 and A-1724 only
PT
Fuse
Fuse
Output
level meter
(Relay 2)
(Relay 1)
JP
OT
DIRECT (100 V)
4 – 16 Ω
C
C
REC OUT
0 dB
LINE OUT, 0 dB/600 Ω
PWR AMP IN, 600 Ω
0 dB–20 dB–20 dB
–20 dB
–20 dB
–20 dB
–20 dB
–20 dB
–20 dB
–20 dB
BASS/TREBLE
MASTER
volume
Phantom power ON/OFF
Phantom
power
Sensitivity selection
Function switch (DIP switch)
Sensitivity selection
Sensitivity
selection

Related product manuals