EasyManua.ls Logo

Toa MX-601 - Block and Level Diagrams; Signal Block Diagram; Signal Level Diagram

Toa MX-601
12 pages
Print Icon
To Next Page IconTo Next Page
To Next Page IconTo Next Page
To Previous Page IconTo Previous Page
To Previous Page IconTo Previous Page
Loading...
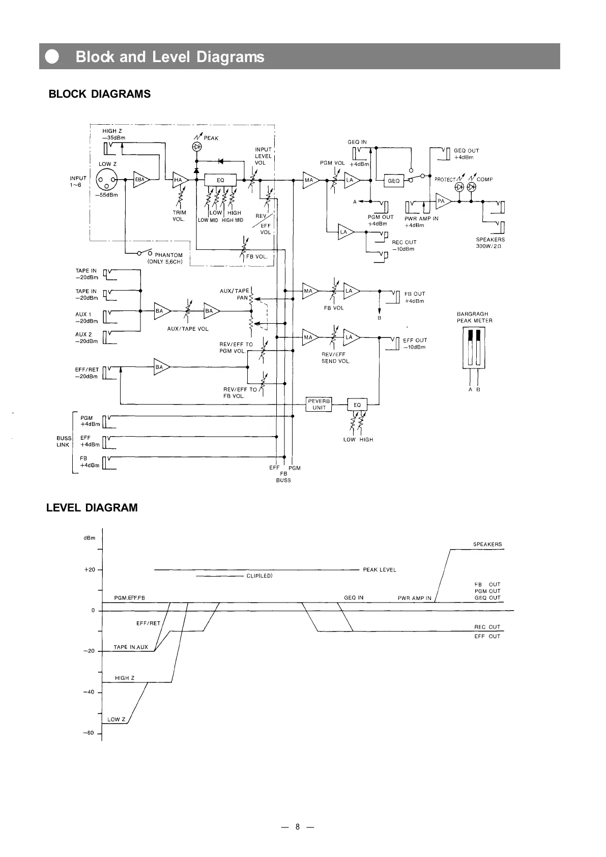
BLOCK DIAGRAMS
LEVEL DIAGRAM
8
Block and Level Diagrams
All manuals and user guides at all-guides.com

Related product manuals