EasyManua.ls Logo

Topcon Norac UC7 - Page 27

Topcon Norac UC7
35 pages
Print Icon
To Next Page IconTo Next Page
To Next Page IconTo Next Page
To Previous Page IconTo Previous Page
To Previous Page IconTo Previous Page
Loading...
WWW.NORAC.CA
PRECISIONDEFINED

Page24
Visitwww.solutions.norac.caformoresystem
installationandtroubleshootinginfo.
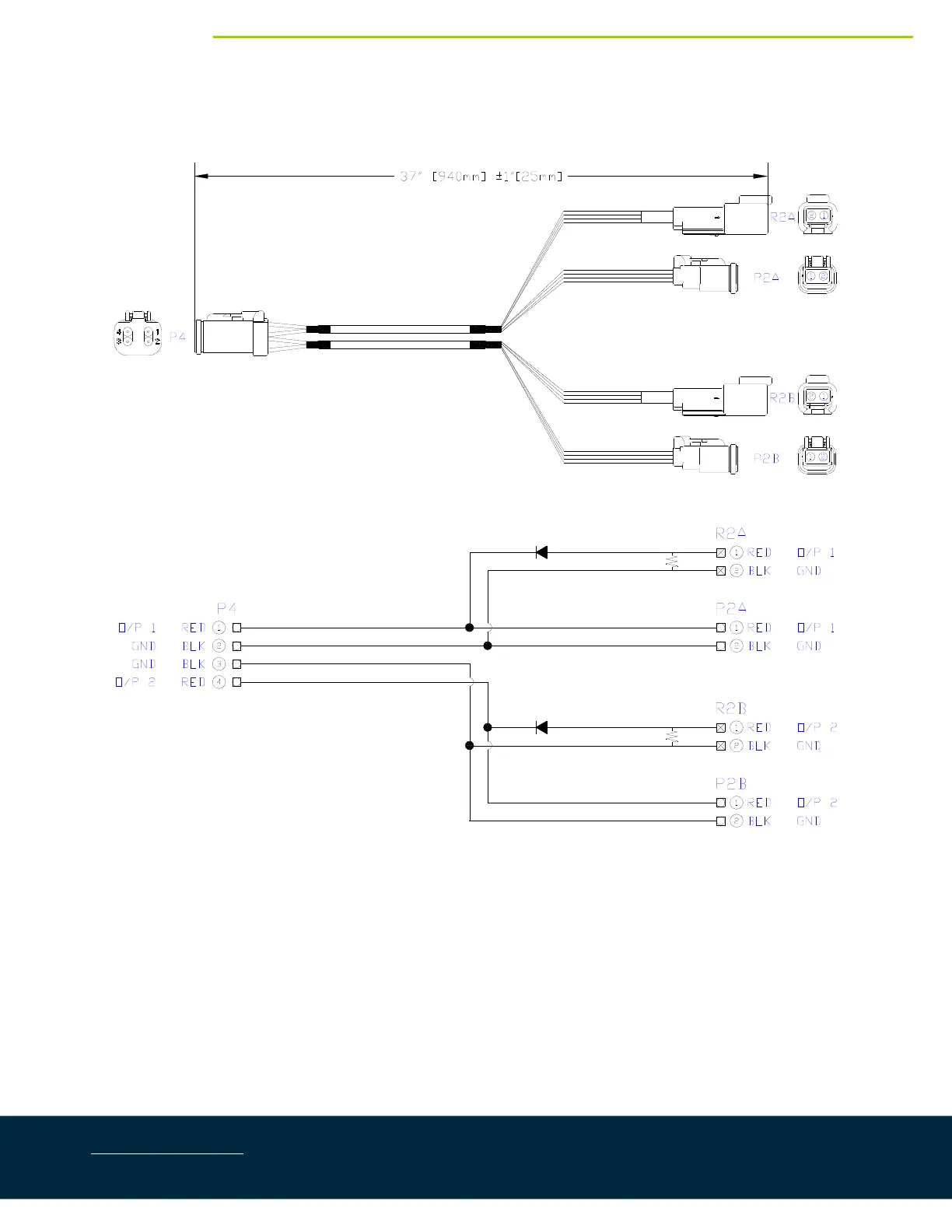
8.10. ItemC13:5013002‐CBL,VLV4PINTO2PINDTTEEDIODERES

Related product manuals