EasyManua.ls Logo

Topcon Norac UC7 - Page 28

Topcon Norac UC7
35 pages
Print Icon
To Next Page IconTo Next Page
To Next Page IconTo Next Page
To Previous Page IconTo Previous Page
To Previous Page IconTo Previous Page
Loading...
WWW.NORAC.CA
PRECISIONDEFINED

Page25
Visitwww.solutions.norac.caformoresystem
installationandtroubleshootinginfo.
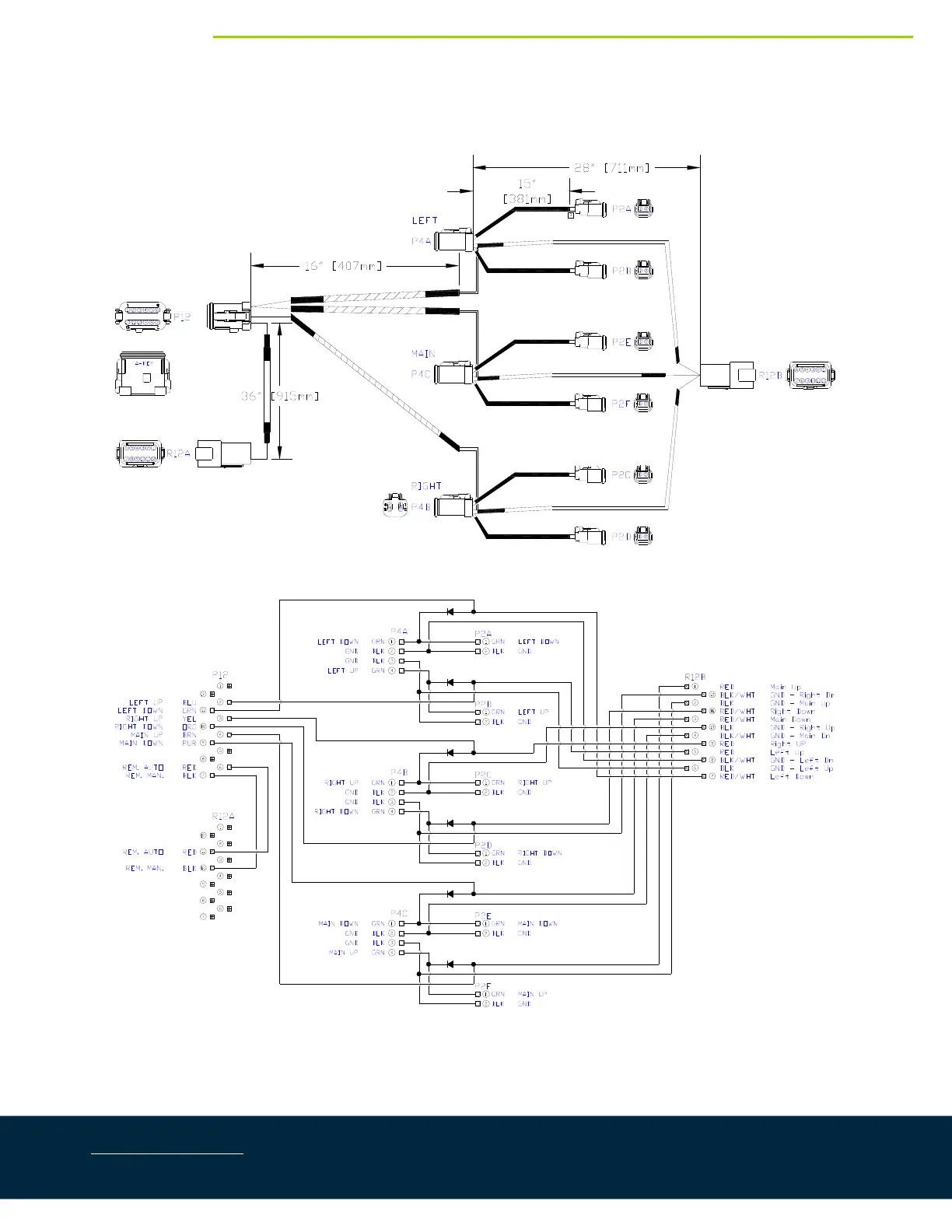
8.11. ItemC20:5014014‐CBL,I/FHAGIE2014+

Related product manuals