EasyManua.ls Logo

TorcUP EP500 - Page 17

TorcUP EP500
38 pages
Print Icon
To Next Page IconTo Next Page
To Next Page IconTo Next Page
To Previous Page IconTo Previous Page
To Previous Page IconTo Previous Page
Loading...
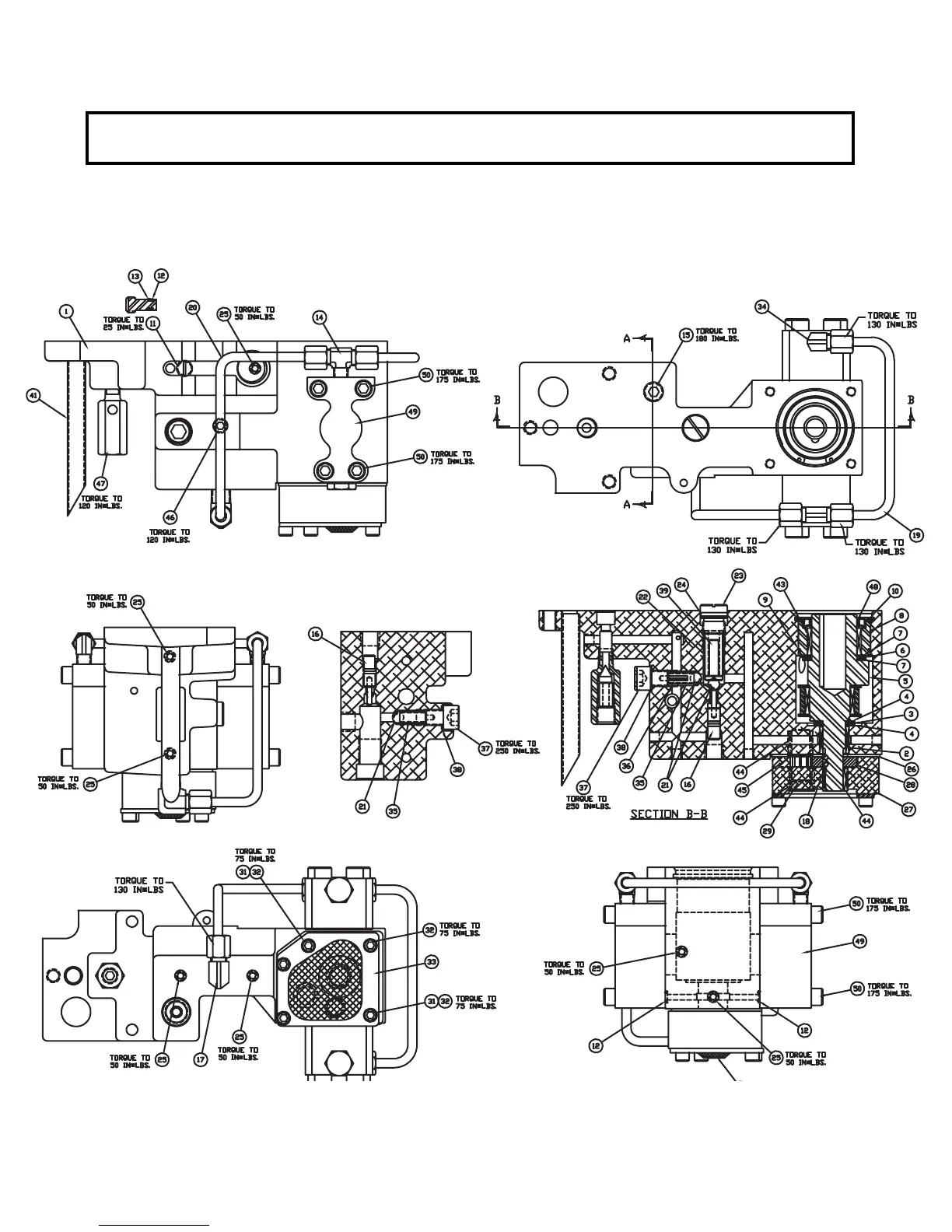
SUB PUMP ASSEMBLY
(46335) PUMP ASM.
EP1000
16/37

Related product manuals