EasyManua.ls Logo

TorcUP EP500 - Page 25

TorcUP EP500
38 pages
Print Icon
To Next Page IconTo Next Page
To Next Page IconTo Next Page
To Previous Page IconTo Previous Page
To Previous Page IconTo Previous Page
Loading...
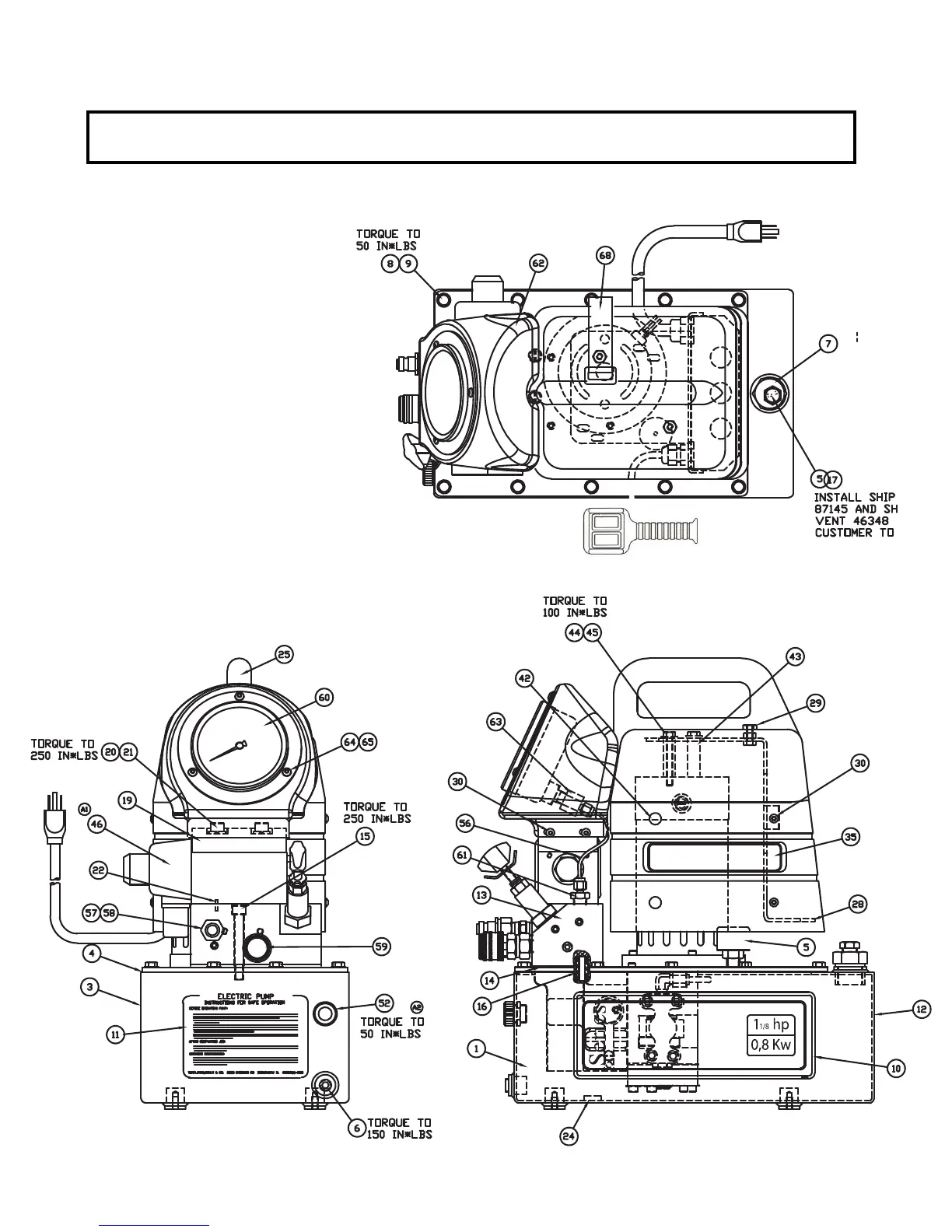
NOTE: This illustration is for reference
only. The appearance of your unit
COMMON COMPONENTS
EP500
24/37

Related product manuals