EasyManua.ls Logo

TorcUP EP500 - Page 29

TorcUP EP500
38 pages
Print Icon
To Next Page IconTo Next Page
To Next Page IconTo Next Page
To Previous Page IconTo Previous Page
To Previous Page IconTo Previous Page
Loading...
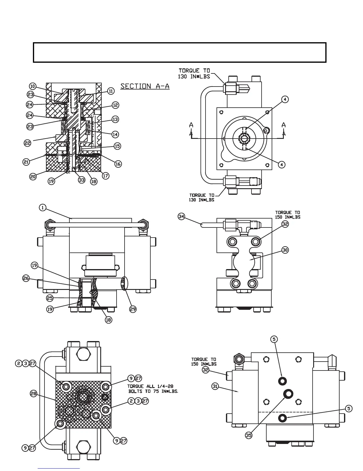
(45535) GEAR SECTION ASM.
GEAR SECTION ASSEMBLY
(45535 GEAR SECTION ASM.)
EP500
28/37

Related product manuals