EasyManua.ls Logo

Toro 30192 - Hydraulic Diagram

Toro 30192
48 pages
Print Icon
To Next Page IconTo Next Page
To Next Page IconTo Next Page
To Previous Page IconTo Previous Page
To Previous Page IconTo Previous Page
Loading...
Maintenance
39
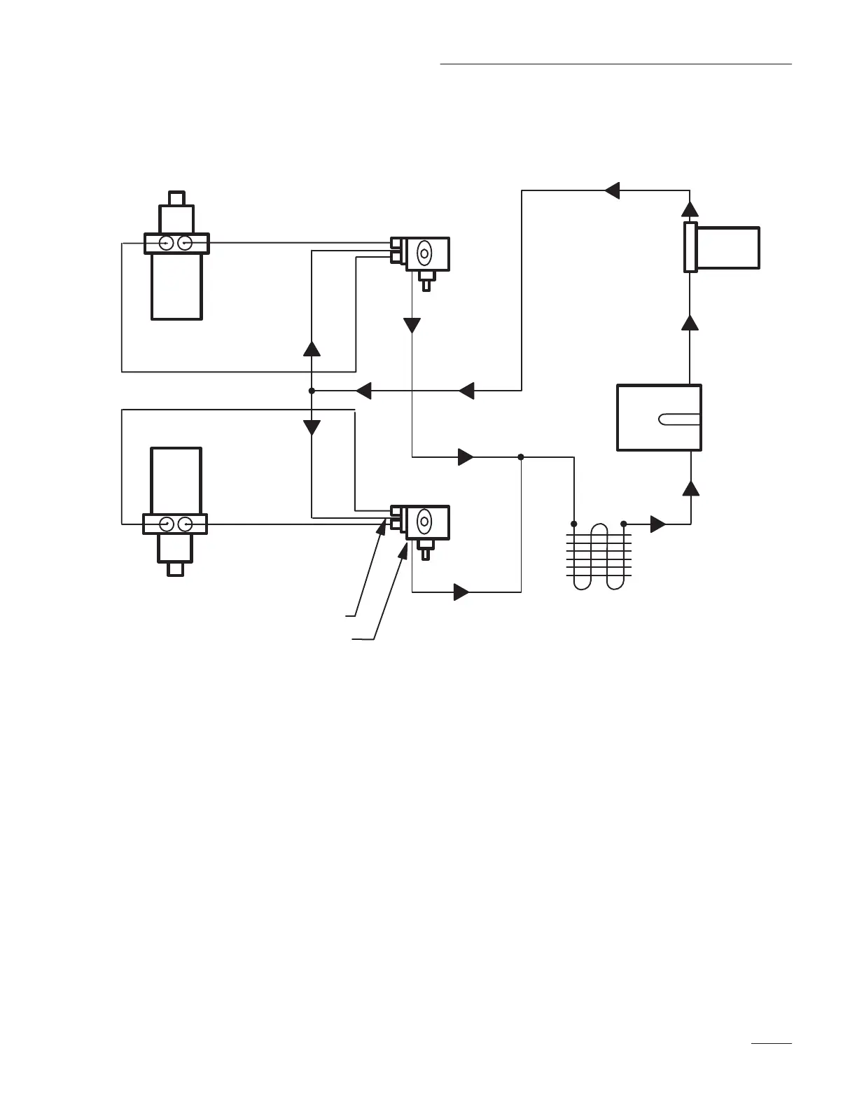
Hydraulic Diagram
  
  
  
  

 

  
 

Related product manuals