EasyManua.ls Logo

Toro 30607A - Schematics

Toro 30607A
76 pages
Print Icon
To Next Page IconTo Next Page
To Next Page IconTo Next Page
To Previous Page IconTo Previous Page
To Previous Page IconTo Previous Page
Loading...
Schematics
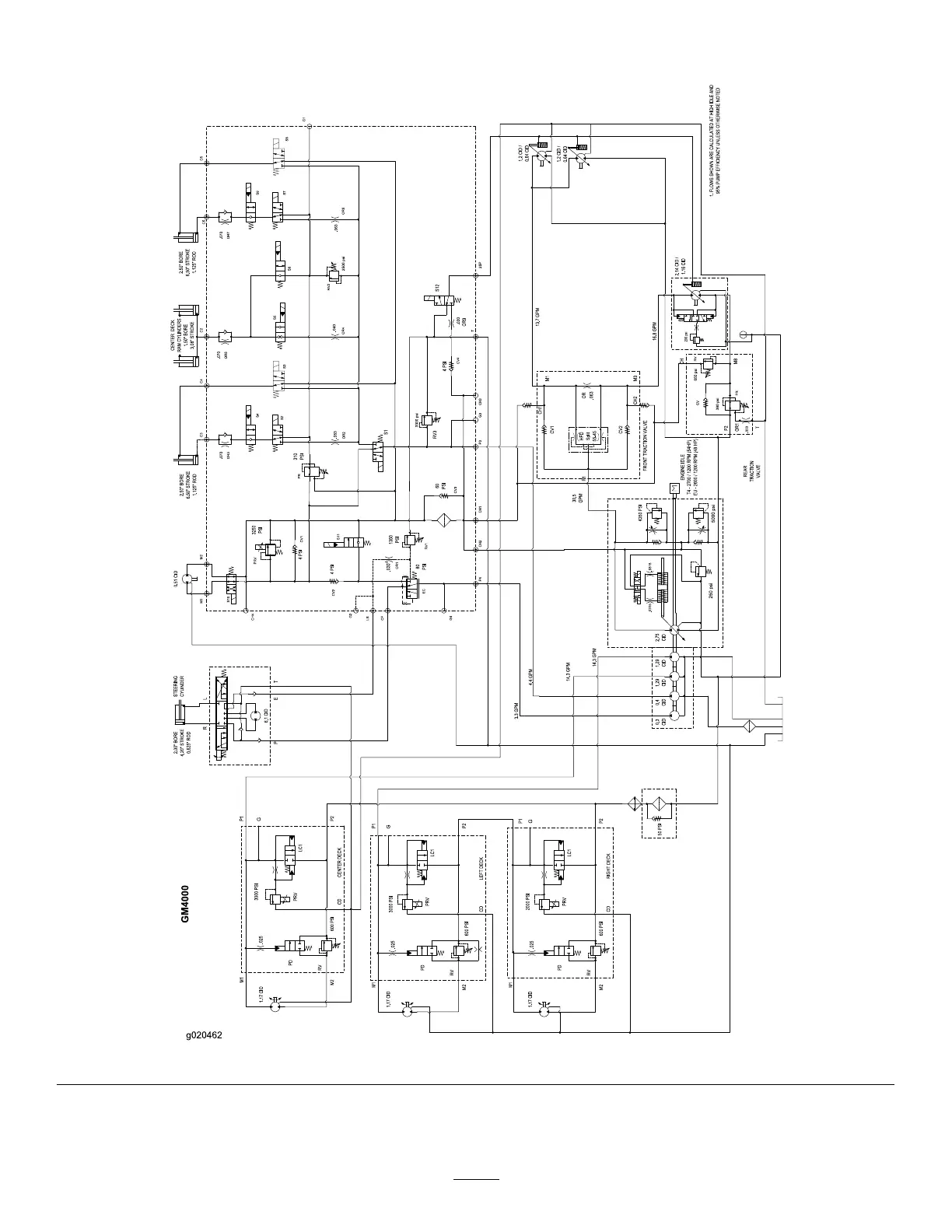
g020462
HydraulicSchematic(Rev.B)
74

Table of Contents

Other manuals for Toro 30607A

Related product manuals