EasyManua.ls Logo

Toro 315-8 - Page 47

Toro 315-8
188 pages
Print Icon
To Next Page IconTo Next Page
To Next Page IconTo Next Page
To Previous Page IconTo Previous Page
To Previous Page IconTo Previous Page
Loading...
2006 315-8
2007 Classic GT
Demystification Guide 4 - 3
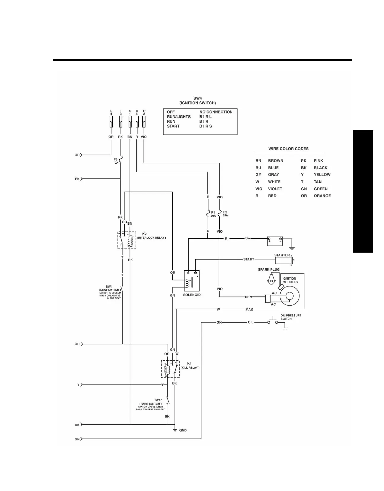
Wiring Diagram
Wiring Diagram

Table of Contents

Related product manuals