EasyManua.ls Logo

Toro 315-8 - Light Circuit; Hourmeter Circuit; Bag Full Circuit

Toro 315-8
188 pages
Print Icon
To Next Page IconTo Next Page
To Next Page IconTo Next Page
To Previous Page IconTo Previous Page
To Previous Page IconTo Previous Page
Loading...
2006 170-D (Int’l), 150-D (Int’l)
2007 DH210 (Int’l), DH210
Demystification Guide 10 - 11
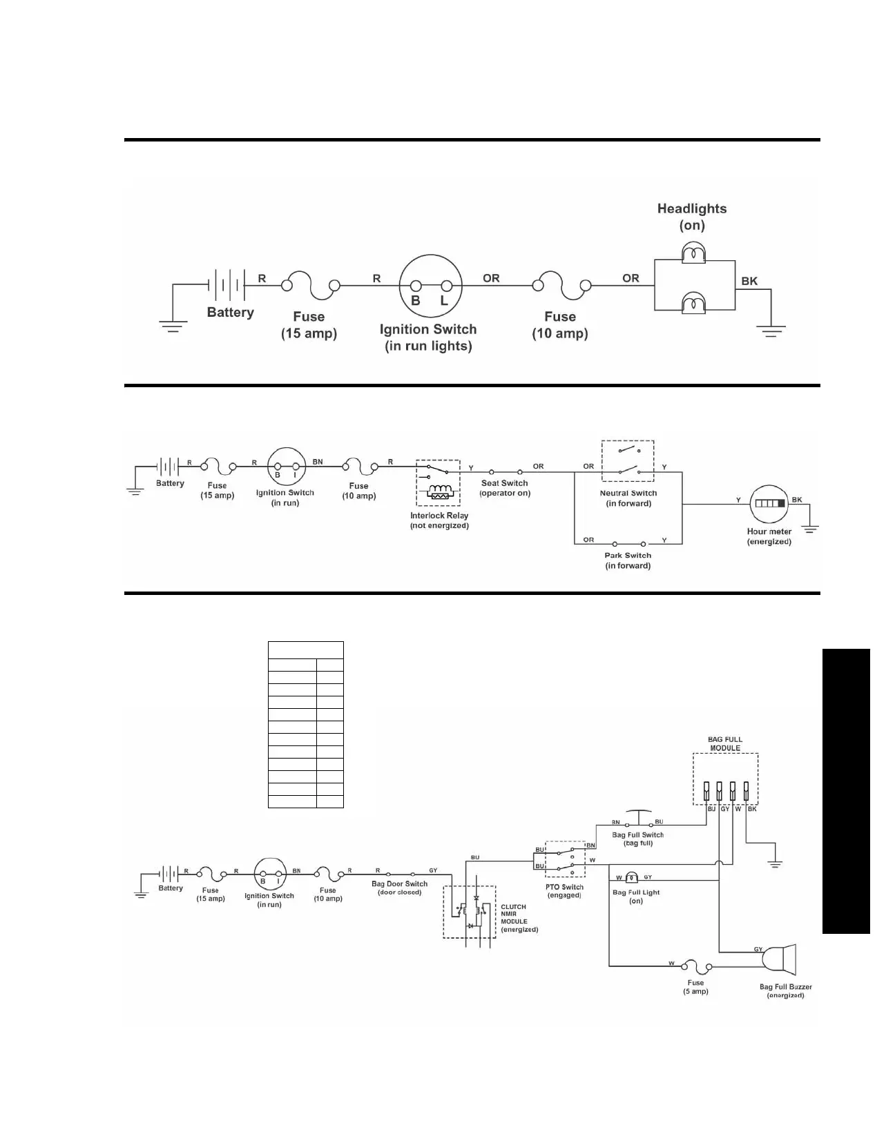
Light Circuit
(ignition switch in “run/lights”)
Hourmeter Circuit
(ignition switch in “run”)
Bag Full Circuit
(ignition switch in “run”)
Legend
Black Bk
Blue Bu
Brown Bn
Green Gn
Grey Gy
Orange Or
Pink Pk
Red Re
Tan T
Violet Vio
White W
Yellow Y
Circuits

Table of Contents

Related product manuals