EasyManua.ls Logo

Toro 315-8 - Wiring Diagrams

Toro 315-8
188 pages
Print Icon
To Next Page IconTo Next Page
To Next Page IconTo Next Page
To Previous Page IconTo Previous Page
To Previous Page IconTo Previous Page
Loading...
315-8 2006
Classic GT 2007
4 - 2 Demystification Guide
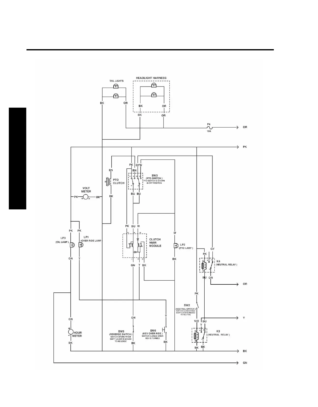
Wiring Diagram
Wiring Diagram

Table of Contents

Related product manuals