EasyManua.ls Logo

Toro 315-8 - Spark Circuits; PTO Clutch Circuit

Toro 315-8
188 pages
Print Icon
To Next Page IconTo Next Page
To Next Page IconTo Next Page
To Previous Page IconTo Previous Page
To Previous Page IconTo Previous Page
Loading...
Z480, Z440 (Int’l) 2006
2007
6 - 4 Demystification Guide
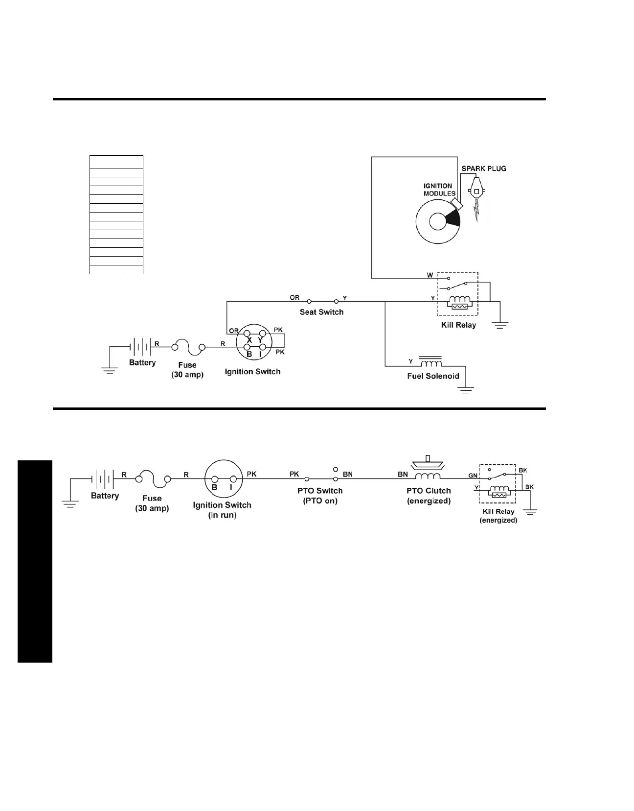
Spark Circuit
(ignition switch in “run”)
PTO Clutch Circuit
(ignition switch in “run”)
Legend
Black Bk
Blue Bu
Brown Bn
Green Gn
Grey Gy
Orange Or
Pink Pk
Red Re
Tan T
Violet Vio
White W
Yellow Y
Circuits

Table of Contents

Related product manuals