EasyManua.ls Logo

Toro 315-8 - Page 90

Toro 315-8
188 pages
Print Icon
To Next Page IconTo Next Page
To Next Page IconTo Next Page
To Previous Page IconTo Previous Page
To Previous Page IconTo Previous Page
Loading...
170-D (Int’l), 150-D (Int’l) 2006
DH210 (Int’l), DH210 (Int’l) 2007
10 - 6 Demystification Guide
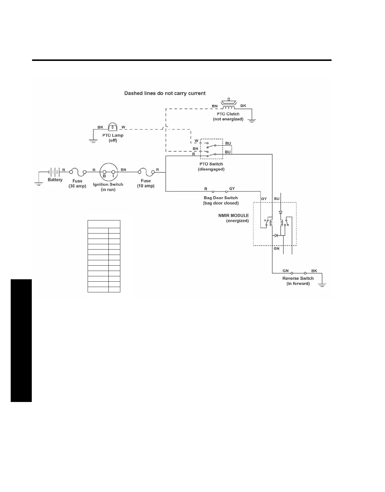
Reverse Operating System Circuit
(PTO “off”, in forward)
Legend
Black Bk
Blue Bu
Brown Bn
Green Gn
Grey Gy
Orange Or
Pink Pk
Red Re
Tan T
Violet Vio
White W
Yellow Y
Circuits

Table of Contents

Related product manuals