EasyManua.ls Logo

Toro 315-8 - Page 99

Toro 315-8
188 pages
Print Icon
To Next Page IconTo Next Page
To Next Page IconTo Next Page
To Previous Page IconTo Previous Page
To Previous Page IconTo Previous Page
Loading...
2006 190-D (Int’l)
2007 DH220 (Int’l)
Demystification Guide 11 - 3
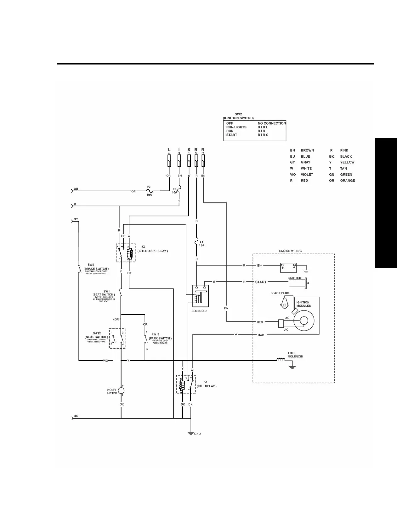
Wiring Diagram
Wiring Diagram

Table of Contents

Related product manuals