EasyManua.ls Logo

Toro 74024 - Page 79

Toro 74024
80 pages
Print Icon
To Next Page IconTo Next Page
To Next Page IconTo Next Page
To Previous Page IconTo Previous Page
To Previous Page IconTo Previous Page
Loading...
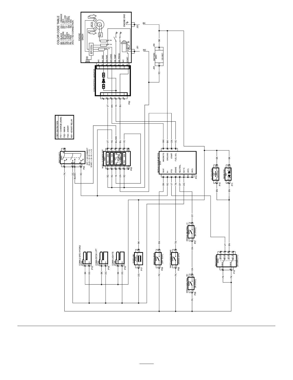
g341 124
Kohler Engines Electrical Schematic (Rev . A)
79

Table of Contents

Related product manuals