EasyManua.ls Logo

Toro 74176 - Wiring Diagram

Toro 74176
56 pages
Print Icon
To Next Page IconTo Next Page
To Next Page IconTo Next Page
To Previous Page IconTo Previous Page
To Previous Page IconTo Previous Page
Loading...
48
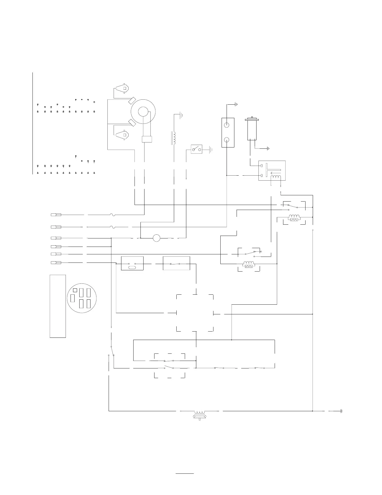
Wiring Diagram
A
Y
T
I
Y
Y
OR
OR
VIO
I A
OR
KEY SW
B
S
X
GN
BU
BN
BK
R
BLUE
BROWN
T
R
TAN
RED
PINK
GND
BK
BK
GY
DK.GN
SHOWN WITH
LEVER IN
NEUTRAL
POSITION
LT.BU
DK.GN
BK
P1–B
P1–C P2–C
BN
T
BK
K1
(KILL RELAY)
DK.BU
HOUR
METER
R
OR R
SW1
W
F2
25A
DK.BU
OR
W
VIO
OR
GY
GND
ORANGE
GREY
GREEN
Y
W
YELLOW
WHITE
VIOLET
SHOWN WITH
LEVER IN
NEUTRAL
POSITION
GY
X S
–+
Y B
R
BLACK
GY
BK
OR/BKOR/BK
DK.GN/W
(IGNITION)
LT.GN BK/R
LT.BU
LIGHT BLUE
DK.BU
DARK BLUE
OR/BK
ORANGE/BLACK
PK/BK
PINK/BLACK
VIO
PK
WIRE COLOR CODES
(NEUTRAL)
SW5
LT.BU
(BRAKE)
SW3
SHOWN WITH
PARK BRAKE
DISENGAGED
P1–A
PK/BK
KAWASAKI AIR–COOLED
DK.GN
SW6
(SEAT SW)
F1
30A
+
BATTERY
GND
DK.GN/W
DARK GREEN/WHITE DARK GREEN
DK.GN
LT.GN
DELAY MODULE
100–6186
SHOWN IN
OFF POSITION
2
3
5
4
1
SW7
(TILT SW)
SHOWN WITH
OPERATOR
IN SEAT
+
STARTER
LIGHT GREEN BLACK/RED
SW4
(NEUTRAL)
(PTO)
SW2
REG
MAG
FUEL
OIL
AC
FUEL
SOLINIOD
OIL
SWITCH
SPARK PLUG SPARK PLUG
IGNITION
MODULES
AC
PTO
CLUTCH
SWITCH OPENS
WHEN TILTED
PAST 60 DEGREES
FROM VERTICAL
TERMINAL VIEW FROM
BACK OF SWITCH
OFF NO CONNECTION
ON B I A AND X Y
START B I S
KEY SWITCH PN 88–9830
2
3
5
4
1
(START RELAY)
K2
SOLINOID

Table of Contents

Related product manuals