EasyManua.ls Logo

Toro 74633 - Schematics; Electrical Diagram (Rev. A)

Toro 74633
44 pages
Print Icon
To Next Page IconTo Next Page
To Next Page IconTo Next Page
To Previous Page IconTo Previous Page
To Previous Page IconTo Previous Page
Loading...
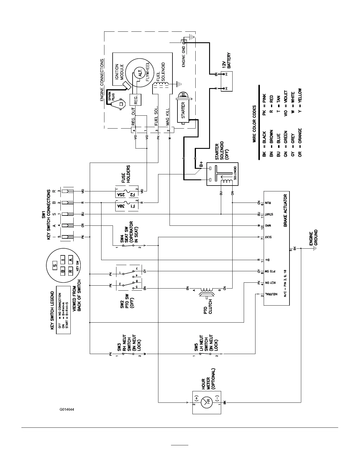
Schematics
G014644
ElectricalDiagram(Rev.A)
43

Related product manuals