EasyManua.ls Logo

Toro 74882 - Schematics

Toro 74882
52 pages
Print Icon
To Next Page IconTo Next Page
To Next Page IconTo Next Page
To Previous Page IconTo Previous Page
To Previous Page IconTo Previous Page
Loading...
Schematics
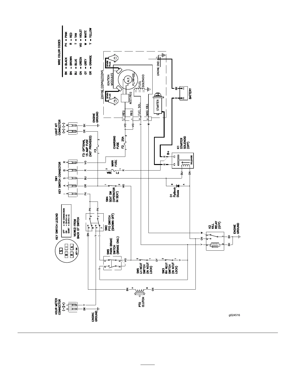
WireDiagram(Rev.A)
50

Table of Contents

Related product manuals