EasyManua.ls Logo

Toro 77281TA - Page 82

Toro 77281TA
84 pages
Print Icon
To Next Page IconTo Next Page
To Next Page IconTo Next Page
To Previous Page IconTo Previous Page
To Previous Page IconTo Previous Page
Loading...
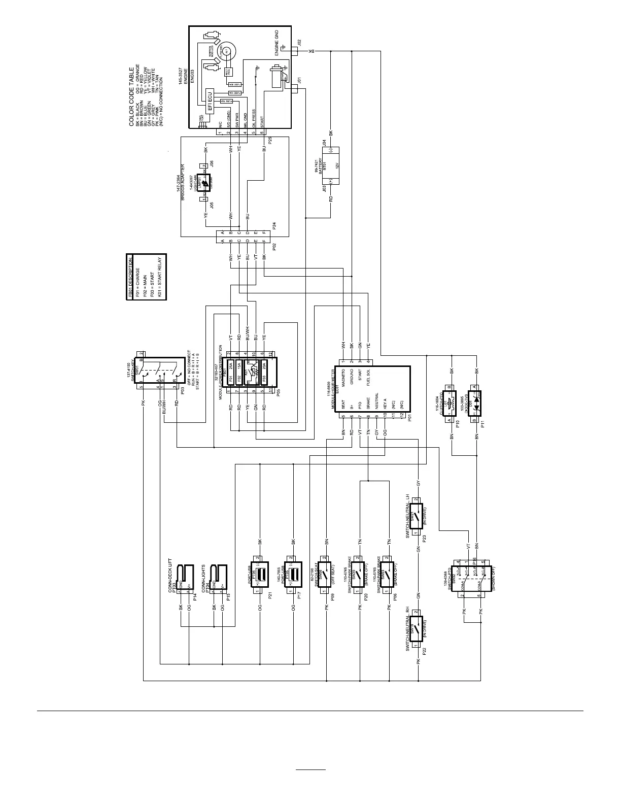
g414655
WireDiagram—BriggsandStrattonEngines(Rev.A)
82

Table of Contents

Other manuals for Toro 77281TA

Related product manuals