EasyManua.ls Logo

Toro TimeCutter 75749 - Schematics

Toro TimeCutter 75749
56 pages
Print Icon
To Next Page IconTo Next Page
To Next Page IconTo Next Page
To Previous Page IconTo Previous Page
To Previous Page IconTo Previous Page
Loading...
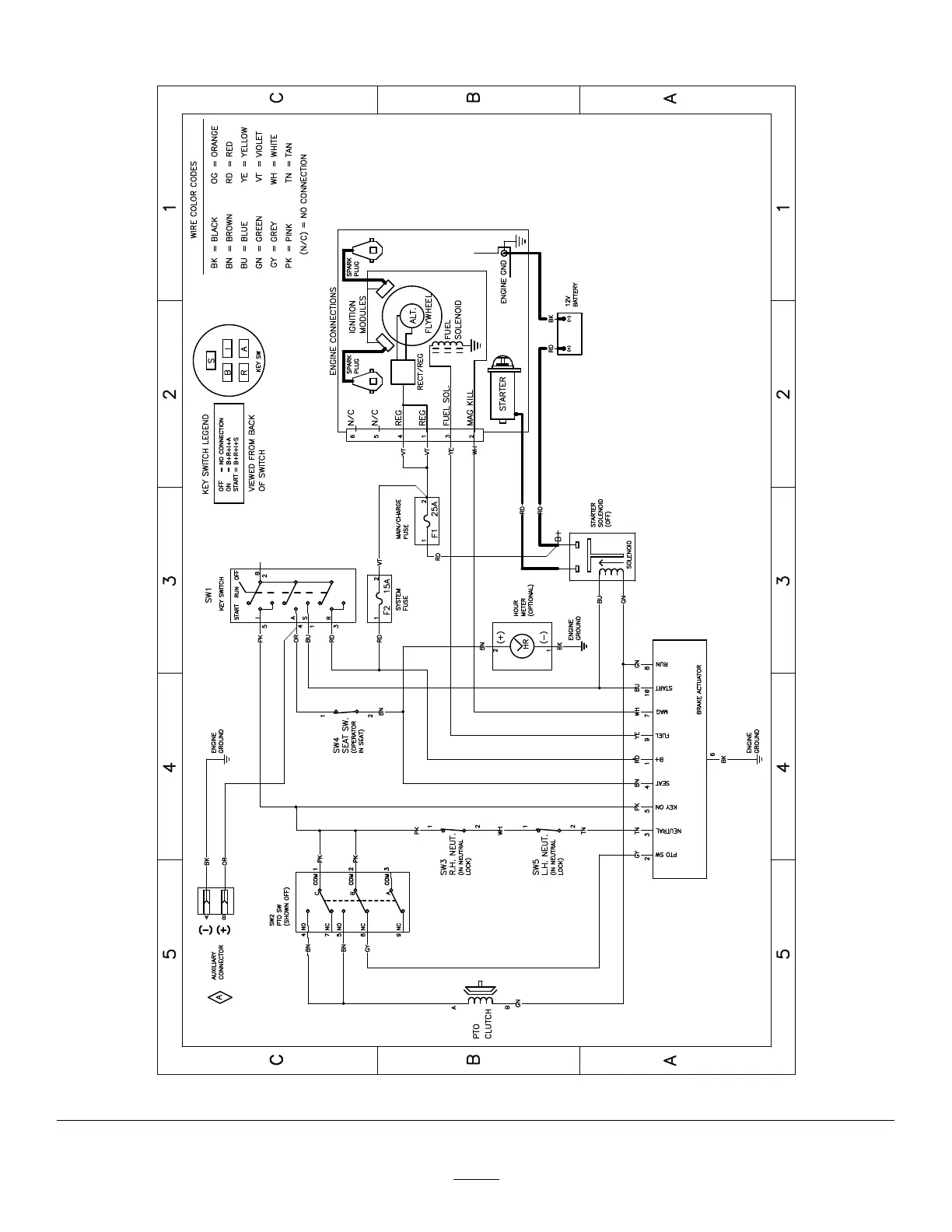
Schematics
g307974
ElectricalDiagram139-2356(Rev.A)
53

Table of Contents

Related product manuals