EasyManua.ls Logo

Toshiba e-studio 151 - B. DC Power Circuit

Toshiba e-studio 151
176 pages
Print Icon
To Next Page IconTo Next Page
To Next Page IconTo Next Page
To Previous Page IconTo Previous Page
To Previous Page IconTo Previous Page
Loading...
e-STUDIO162/162D/151/151D ELECTRICAL SECTION 13 - 11
(10) OPE PWB
a. Outline
The operation circuit is composed of the LCD control circuit, the key
matrix circuit, the display matrix circuit, and the buzzer circuit, realizing
the U/I functions.
b. LCD control circuit
The character LCD (COG) in 2 lines and 16 digits is used. The display
data are sent from the MCU (CPU) to LCD internal registers, control-
ling the LCD.
c. Key matrix circuit
The SEL signal is sent from the CPU of MCU to the matrix selector IC
(multiplexer) in the operation circuit. The signal detects OFF/ON of the
key, and is sent to the CPU as serial data.
d. LED matrix circuit
The display is controlled by inputting the serial data signal, the clock
signal, and the latch signal from ASIC to the LED driver in the opera-
tion circuit.
In the LED driver, data are set to the register (8bit) and latched to con-
trol the IC output port, performing matrix-driving of ON/OFF of the LED.
(11) Carriage Unit
a. Outline
The carriage unit is provided with the CCD PWB, the inverter PWB, the
lamps, etc. A document is radiated, and image data read by the CCD
are A/D converted to be sent to the ASIC.
b. CCD PWB
The color image sensor uPD8861 (5400 pixels x 3 lines) is used as the
CCD on the CCD PWB to scan images in the resolution of 600dpi/US
letter size in the main scanning direction.
Image data scanned by the CCD are inputted to AFE (AD9826), where
they are A/D-converted to output digital data. The output digital data
are sent to the MCU PWB and to the ASIC. The ASIC performs image
process with the digital data.
c. Lamp inverter PWB
The transformer is controlled by the lamp control signal from the MCU
PWB to turn ON/OFF the cool cathode ray tube by the transformer out-
put.
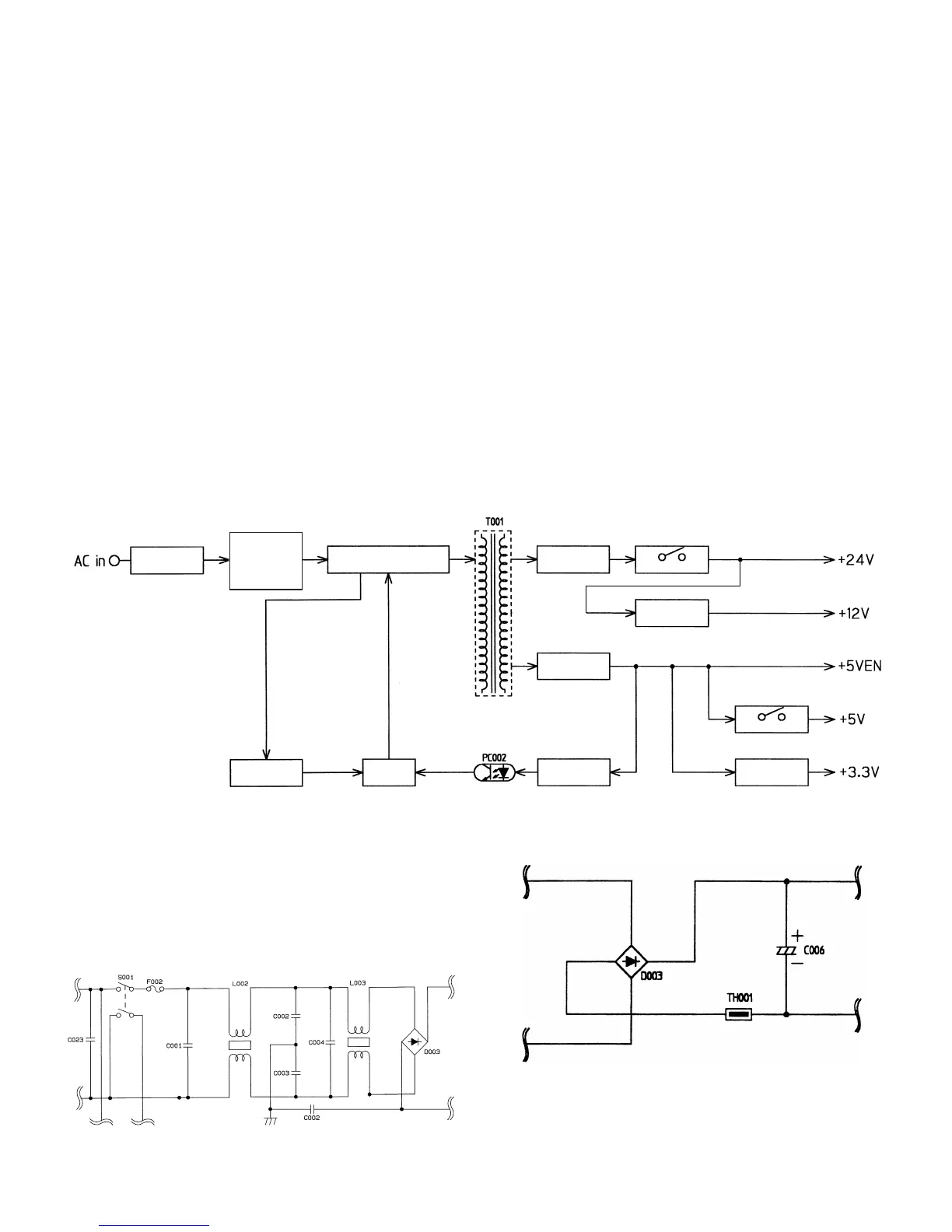
B. DC power circuit
The DC power circuit directly rectifies the AC power and performs
switching-conversion with the DC/DC converter circuit, and rectifies
and smoothes again to generate a DC voltage.
The constant voltage control circuit is of +5VEN. +24V and +12V are of
the non-control system by winding from the +5VEN winding. As shown
in fig (1), +24V, +12V, and +5V are provided with the ON/OFF function
by external signals. +3.3V is outputted from +5VEN to the regulator IC.
Refer to the block diagram, fig (1).
fig (1) Block diagram
(1) Noise filter circuit
The filter circuit is composed of L and C. It reduces common noises
and normal mode noises generated from the AC line.
The common noise means that generated in each line for GND. Its
noise component is delivered through C002, C003, and C022 to GND.
The normal noise means that overlapped in the AC line or the output
line. It is attenuated by C023, C001, L002, C004, and L003. Refer to fig
(2).
fig (2) Noise filter circuit
(2) Rush current prevention circuit and rectifying/
smoothing circuit
fig (3) Rush current prevention, rectifying/smoothing circuit
Noise filter
circuit
Rush current
prevention circuit
Rectifying/
smoothing
circuit
Inverter circuit
(Ringing choke converter system)
Rectifying/
smoothing circuit
(Semiconductor switch)
Rectifying/
smoothing circuit
+12V regulator IC
(with ON/OFF function)
Overcurrent
protection circuit
Control
circuit
Constant-voltage
detection circuit
(Semiconductor switch)
+3.3V
regulator IC
e-STUDIO162_151.book 11 ページ 2004年12月2日 木曜日 午後9時37分

Table of Contents

Related product manuals