EasyManua.ls Logo

Toshiba RAS-10SAH-E - 3. WIRING DIAGRAM

Toshiba RAS-10SAH-E
68 pages
To Next Page IconTo Next Page
To Next Page IconTo Next Page
To Previous Page IconTo Previous Page
To Previous Page IconTo Previous Page
Loading...
– 8 –
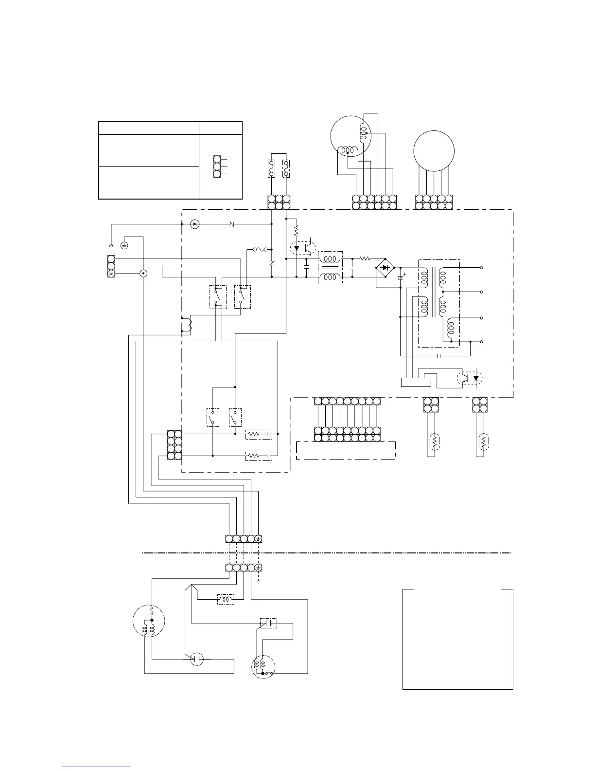
3. WIRING DIAGRAM
1
2
3
4
5
6
789
1
2
3
4
5
6
789
1
23
4
5
6
789
1
2
1
2
1
2
1
2
L
N
1
2
3
4
44
3
2
11
1
2
3
4
6
5
IC
FAN MOTOR
BLK
WHI
PNK
WHI
BLK
BLU
RED
SOLENOID
COIL
RED
RUNNING
CAPACITOR
RUNNING
CAPACITOR
BLK
GRN & YEL
CHASSIS
INDOOR
OUTDOOR
BLK
WHI
RED
BLU
GRN&YEL
CN27
GRN&YEL
P04
BLK
BRW
BLU
PNK
YEL
ORN
RED
BRW
GRY
GRY
BLU
CN04
CN07
CN10
BLU
CN03 CN01
CN13
CN25
BLK
BLK
BLK
BLK
IC01
IC02
C06
DC35V
DC12V
DC7V
DC0V
T01
MAIN P.C. BOARD
MCC-713
C02
DB01
R01
C01
L01
C15
IC04
R109
F01 FUSE
T3,15A
250V
R21
RY01
RY02
WHI
BLK
3
4
3
4
T02
C.T.
RY03
RY04
POWER
TERMINAL
BLOCK
INDOOR
TERMINAL
BLOCK
INFRARED RAYS RECEIVE
AND INDICATION PARTS
THERMO
SENSOR
(TA)
HEAT
EXCHANGER
SENSOR
(TC)
LOUVER
MOTOR
FAN MOTOR
:
:
:
:
:
:
:
:
:
:
BROWN
RED
WHITE
YELLOW
BLUE
BLACK
GRAY
PINK
ORANGE
GREEN &
YELLOW
BRW
RED
WHI
YEL
BLU
BLK
GRY
PNK
ORN
GRN&YEL
COLOR IDENTIFICATION
THERMAL FUSE
77˚C × 2
VARISTOR
3
1
1
2
3
4
6
5
1
2
3
4
5
1
2
3
4
5
3
1
DC
MOTOR
SG01
DSA
CR01
CR02
BLU
BLU
BLU
BLU
BLU
PNK
BLK
WHI
R116
RAS-10SKH-ES/10SAH-ES
220/230/240V ~
50Hz
RAS-13SKH-ES/13SAH-ES
220/230/240V ~
50Hz
L
N
Model Section A
1
2
3
4
COMPRESSOR
DSA : Surge absorber
C.T : Current trans
BLU
RED
BLU
YEL
BLK
RED
WHI

Related product manuals