EasyManua.ls Logo

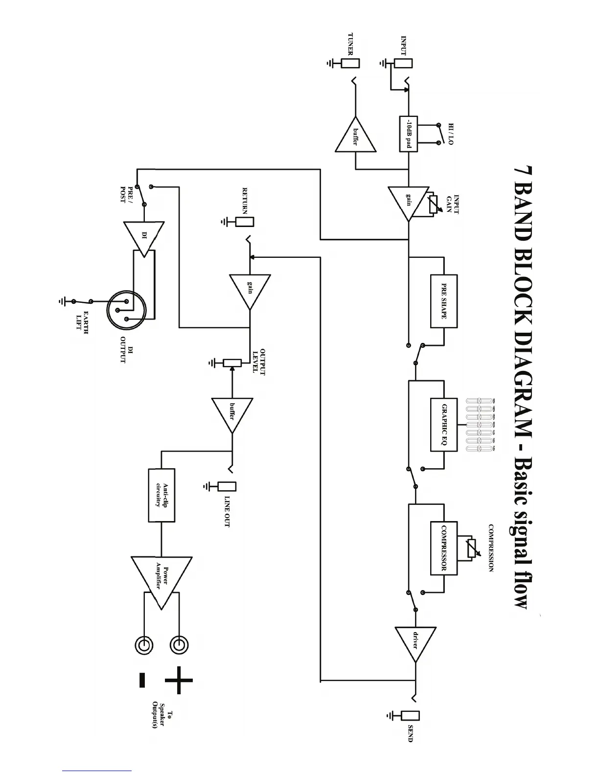
TRACE ELLIOT 1210 - 7 Band Block Diagram: Signal Flow; Basic Signal Path Illustration

TRACE ELLIOT 1210
35 pages
Print Icon
To Next Page IconTo Next Page
To Next Page IconTo Next Page
To Previous Page IconTo Previous Page
To Previous Page IconTo Previous Page
Loading...
25

Related product manuals