EasyManua.ls Logo

TRACE ELLIOT 1215 - Rear Panel Connectivity; Rear Panel Overview and Footcontroller

TRACE ELLIOT 1215
35 pages
Print Icon
To Next Page IconTo Next Page
To Next Page IconTo Next Page
To Previous Page IconTo Previous Page
To Previous Page IconTo Previous Page
Loading...
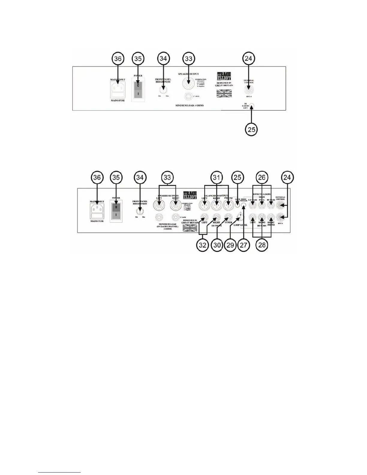
REAR PANEL
7 BAND
12 BAND
N.B. Within the 7 Band and 12 Band ranges the rear panels may vary slightly from those shown above.
(24) EXTERNAL CONTROL 8 pin DIN socket(s) – BFC-4 (7Band), BFC-6 (12 Band)
The socket(s) are for connecting to the footcontroller supplied with the unit. It should be connected before
the unit is switched on. Please ensure that the lead is inserted  rmly and securely into the sockets on both the
ampli er and the footcontroller.
7 Band units are supplied with a 4-function footcontroller (BFC-4) that enables the user to control PRE-
SHAPE, GRAPHIC, COMPRESSOR and MUTE.
The 12 Band units are supplied with a 6-function footcontroller (BFC-6) that enables the user to control PRE-
SHAPE, VALVE, GRAPHIC, COMPRESSOR, LOOP and MUTE.
The LEDs on both footcontrollers all correspond in colour and function to those on the front panel.
If a footcontroller is disconnected from the ampli er while it is on and then reconnected, it may display
different settings to the front panel.
16

Related product manuals