EasyManua.ls Logo

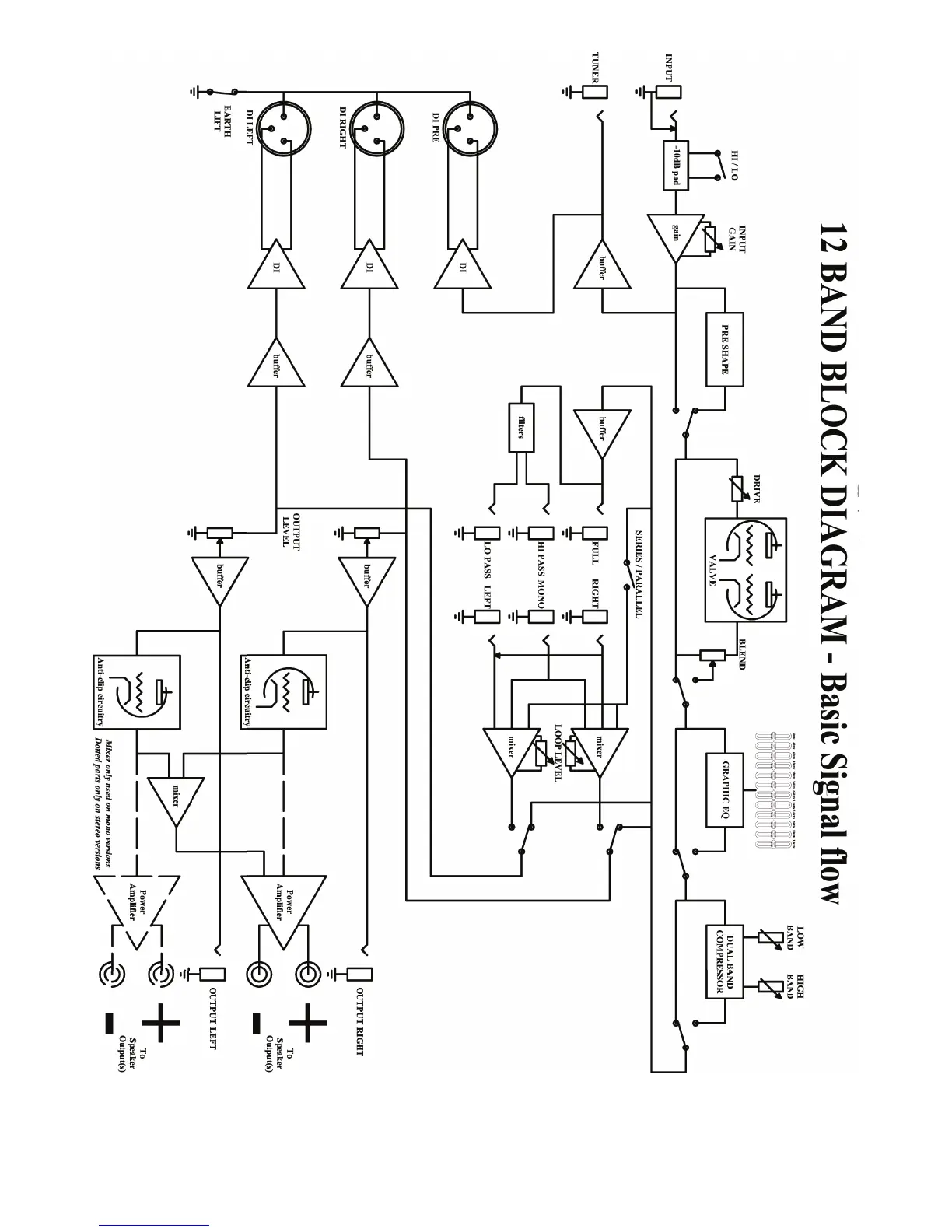
TRACE ELLIOT 1215 - Band Block Diagram-Basic Signal Fl Ow

TRACE ELLIOT 1215
35 pages
Print Icon
To Next Page IconTo Next Page
To Next Page IconTo Next Page
To Previous Page IconTo Previous Page
To Previous Page IconTo Previous Page
Loading...
26

Related product manuals