EasyManua.ls Logo

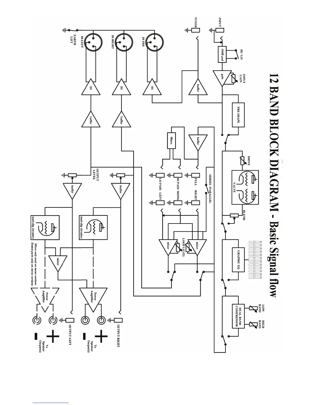
TRACE ELLIOT 715x - 12 Band Block Diagram; Basic Signal Flow Architecture

TRACE ELLIOT 715x
35 pages
Print Icon
To Next Page IconTo Next Page
To Next Page IconTo Next Page
To Previous Page IconTo Previous Page
To Previous Page IconTo Previous Page
Loading...
26

Related product manuals