EasyManua.ls Logo

TrailMaster 300xrx - Wiring Diagram

TrailMaster 300xrx
30 pages
Print Icon
To Next Page IconTo Next Page
To Next Page IconTo Next Page
To Previous Page IconTo Previous Page
To Previous Page IconTo Previous Page
Loading...
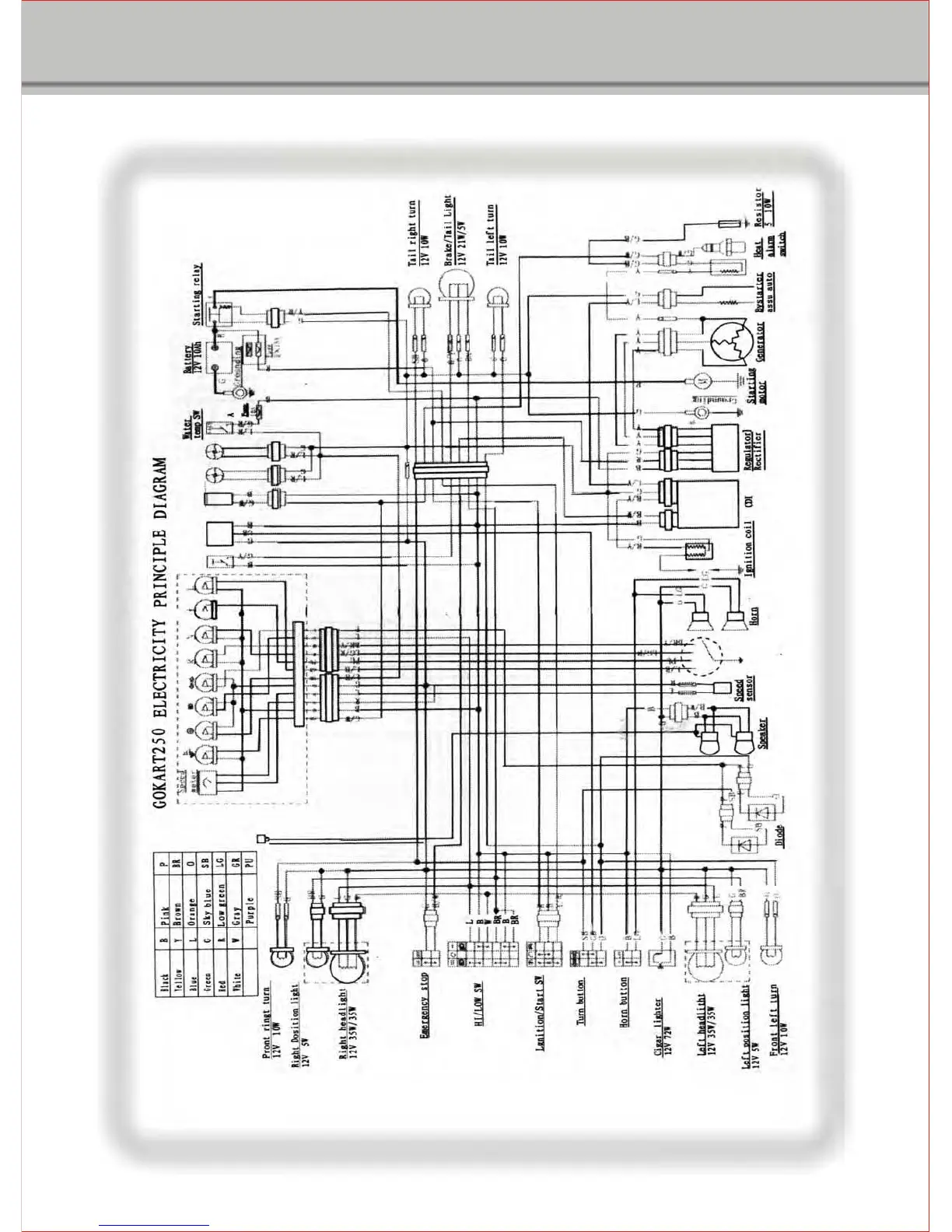
WIRING DIAGRAM
24

Related product manuals